Sito Visitato 510458 volte Pagina Visitata 1012 volte Sei in : Etantonio/it/universita/4anno/TeoriaCircuiti/     

Filtri attivi RC con un solo amplificatore

1) Confronto tra i filtri attivi ed i filtri passivi :

I filtri attivi sono più leggeri e richiedono meno spazio rispetto ai filtri passivi, inoltre possono essere realizzati in forma integrata il che ne consente la produzione in massa e la riduzione dei costi.

 

2) Filosofie di realizzazione dei filtri attivi :

Cascata                 la funzione di rete è fattorizzata in prodotti di termini del 2° ordine ognuno dei quali è realizzato individualmente da un circuito RC attivo e posto in cascata agli altri.

Diretta                   la funzione di rete viene realizzata completamente da un unico circuito

 

3) VCVS :

È una sorgente di tensione controllata in tensione, idealmente ha le seguenti caratteristiche :

a)       impedenza d´ingresso infinita

b)       impedenza d´uscita nulla

c)       tensione d´uscita linearmente proporzionale tramite un guadagno alla tensione d´ingresso

Nei VCVS realizzati con amplificatori operazionali l´impedenza d´ingresso è di qualche MW mentre l´impedenza d´uscita è minore di 100W .

 

4) Configurazioni per un amplificatore operazionale utilizzato come VCVS :

Invertente             il segnale è applicato tramite la resistenza R1 al morsetto invertente al quale giunge anche il segnale d´uscita tramite la resistenza R2 , il morsetto positivo è a massa e quindi il guadagno risulta essere  .

Non Invertente    il segnale è applicato al morsetto positivo mentre al morsetto negativo è collegata verso massa la resistenza R1 e la resistenza di retroazione R2 , il guadagno risulta essere   .

Inseguitore           è un amplificatore non invertente in cui R2 = 0 il che implica K=1  ossia  V2 = V1  .

 

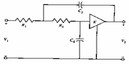
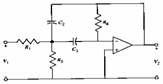
5) Filtro generale a singolo amplificatore :

La rete passiva in figura è caratterizzata dalle equazioni  nelle quali per la presenza del VCVS si può sostituire  ed eliminare la 2ª equazione in quanto Zout=0 , essendo inoltre I3 = 0 si ottiene  che per la realizzazione

implica      ,       ,     .


 

6) Sallen & Key passa-basso :

Dalla uguaglianza  e ricordando i valori trovati per N31 , N32 , N33 si osserva che Y1 ed Y3 debbono essere costanti ossia conduttanze Y1 = G1   e   Y3 = G3    inoltre N32 deve avere uno zero semplice nell´origine quindi Y2=sC2 ed Y6=0  mentre N33 deve essere del 2° ordine con zeri reali negativi e quindi si ottiene Y4 =sC4 ed Y5=0 , ne segue che  

Per tale schema alcuni criteri di progetto sono i seguenti :

a)            sia R1 = R3= R   ed anche C2 = C4 = C  si ottiene   ,       ,      

b)            sia K=1 ,   ,   ,  R1 = R   e   C2 = C   ,   si ottiene   ed  

c)            sia K=2  ,   C2 = C4 = C   ,   si ottiene   ed

Tutti e 3 i progetti danno luogo a sensibilità direttamente proporzionali a Q il che è deleterio quando si vogliano realizzare filtri a Q elevato meglio ottenibili utilizzando rapporti 1:10 invece che 1:1 tra R1 ed R3 o tra C2 e C4 .

 

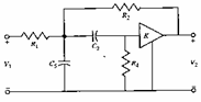
7) Sallen & Key passa-banda :

Dalla uguaglianza  e ricordando i valori trovati per N31 , N32 , N33 si osserva che Y1 ed Y3 debbono essere uno un condensatore e la altro un resistore, assumiamo Y1 = G1   e   Y3 = sC3    per soddisfare la condizione su N32 si deve avere Y2=G2 ed Y6=0  mentre per soddisfare quella su N33 poniamo Y4 =G4 ed Y5=sC5 , si ottiene  .

Per tale schema alcuni criteri di progetto sono i seguenti :

a)            sia R1 = R2 = R4 = R   ed anche C3 = C5 = C  si ottiene   e 

b)            sia K=2   e    R1= C3 = C5 =1    si ottiene   ed     

 

8) Sallen & Key passa-alto :

Dalla uguaglianza  e ricordando i valori trovati per N31 , N32 , N33 si trova che deve essere Y1=sC1 ,  Y2=G2  , Y3 = sC3   ,  Y4=G4   , Y5 = Y6 = 0 , si ottiene    

Per tale schema alcuni criteri di progetto sono i seguenti :

a)            sia R2 = R4 = R   e   C1 = C3 = C  si ottiene    ,       ,    .

b)            sia  K=1  ,   ,   , C1=C , R2=R  si ottiene     e     

c)            sia  K=2   e    C1 = C3 = C    ,     si ottiene    e  

 

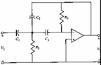
9) Filtro generale a guadagno infinito con singolo amplificatore :

La rete passiva in figura è caratterizzata dalle equazioni  nelle quali per la presenza della amplificatore operazionalesi ha V3 = 0  , si può eliminare la 2ª equazione in quanto Zout=0 , essendo inoltre I3 = 0 si ottiene  che per la realizzazione

in figura si riduce a  .

 

10) Infinite-gain passa-basso :

Dalla uguaglianza  si deduce che per quanto riguarda i denominatori deve essere Y1 = G1   e   Y3 = G3  mentre per i denominatori Y2 = G2   ,  Y5 = sC5   ,   Y6 = sC6  si giunge pertanto alle equazioni    ,         ,       .

Un criterio di progetto consiste nel porre C5 = C   e   C6 = mC    con     , si ottiene    ,         ,     .

Si tratta di un filtro ideale per le realizzazioni a Q elevato in quanto presenta una sensibilità di Q rispetto alle variazioni dei parametri sempre inferiore ad 1 .

11) Infinite-gain passa-banda :

Dalla uguaglianza  si  ha che ponendo Y1=G1 , Y3 =sC3 , Y2=sC2   ,   Y5=G5   e   Y6=G6     

Un possibile criterio di progetto consiste nel porre  C2=C3=C    ,   si ottiene          ,           ,       .

 

12) Infinite-gain passa-alto :

Dalla uguaglianza  si  ha che ponendo Y1=sC1  ,

Y2 =sC2 , Y3=sC3   ,   Y5=G5   e   Y6=G6

Un possibile criterio di progetto consiste nel porre  C1 = C3 = C  ,  si ottiene :

          ,                         ,                ..

 

 

 

 

13) Criteri di progetto per filtri in cascata di ordine maggiore di 2 :

Se si deve realizzare un filtro con ordine dispari la sezione del 1° ordine costituita da un RC o CR va posta all´inizio della cascata e seguita da un inseguitore di tensione, le restanti sezioni del 2° ordine vanno ordinate con Q crescente.