Sito Visitato 510458 volte Pagina Visitata 2288 volte Sei in : Etantonio/it/universita/4anno/TeoriaCircuiti/     

Relazione progetto filtro Passabasso 4.5kHz

Il presente progetto, consistente nella realizzazione di un filtro passa-basso con frequenza di taglio a 4.5kHz si inserisce all´interno di un progetto più vasto che si propone di realizzare un ricevitore monocanale AM centrato sul canale RAI a 1332kHz avente una larghezza di banda bilatera di 9kHz. L´architettura di tale ricevitore è molto semplice :


si basa principalmente sul filtro d´ingresso, il quale deve essere di ottima qualità in quanto deve selezionare solo il canale richiesto ed attenuare di almeno 60dB i canali adiacenti. Lo sforzo progettuale richiesto dalla sua realizzazione viene ripagato in termini di semplicità circuitale, infatti vien meno la necessità di un oscillatore locale e del mixer nonché del susseguente passa-banda a frequenza intermedia che caratterizzano lo schema di ricezione supereterodina.

Si è preferito affrontare il problema secondo una metodologia Bottom-Up, vale a dire realizzando prima il filtro più semplice e successivamente passare a quello più complesso, naturalmente il filtro più complesso è il passa-banda in quanto centrato su una frequenza 300 volte maggiore rispetto al passa-basso, il che richiede amplificatori operazionali con prestazioni migliori nonché attenzione ad eventuali accoppiamenti indesiderati.

Nella presente relazione verranno illustrati i principi che hanno portato alla realizzazione del filtro passa-basso a 4,5kHz con particolare attenzione ai seguenti aspetti :

a)       scelta della ordine

b)       scelta della approssimazione

c)       scelta della architettura

d)       criteri di selezione dei componenti

seguirà poi una trattazione della sintesi matematica, della simulazione al computer e delle prove sperimentali .


a) scelta della ordine

Non vi sono specifiche precise al riguardo delle caratteristiche di questo filtro, esse sono infatti funzione delle caratteristiche del rivelatore a diodo, non avendolo progettato e realizzato preventivamente non è possibile stabilire l´ordine del filtro, tuttavia vi sono molti fattori che spingono verso la selezione del 4° ordine, tra questi :

a)       compatibilità con le modalità d´esame

b)       minore time-to-exam vale a dire che il filtro si progetta e si realizza fisicamente in un tempo minore in quanto richiede meno componenti rispetto a filtri aventi ordine maggiore

c)       in realtà lo stesso altoparlante si comporta come un filtro passa-basso

b) scelta della approssimazione

Per quanto riguarda la approssimazione si opta per le funzioni di Chebyshev in quanto a parità di ordine presentano una maggiore ripidità in prossimità della frequenza di taglio anche se poi a distanza dalla stessa la pendenza è la stessa per qualsiasi approssimazione utilizzata ossia di  n*20dB/decade dove n è l´ordine del filtro. L´approssimazione mediante funzioni di Chebyshev prevede però un ripple in banda passante, esso viene impostato ad un valore massimo di 0,5dB.

c) scelta della architettura

Sempre nell´ottica di minimizzare il time-to-exam si è optato per un´architettura di tipo Infinite-gain in quanto richiede soltanto due operazionali per realizzare un 4° ordine al contrario delle architetture Tow-Thomas e KHN che invece richiedono 6 amplificatori operazionali con pesanti aggravi in termini di costi e tempi anche se si ottengono prestazioni maggiori in termini di sensibilità alla variazione dei parametri. Proprio la sensibilità ha inoltre rappresentato il criterio in base al quale è stata scartata la architettura Sallen & Key  le cui prestazioni in tal senso sono decisamente inferiori a quelle del filtro Infinite-gain.


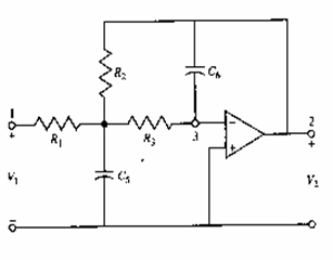
Sulla base delle precedenti scelte facendo uso della tabella 2.2-3a sita a pagina 47 del libro “Active and passive analog filter design” di P.Huelsman si è impostata la funzione di trasferimento normalizzata richiesta, dopodichè mediante il pacchetto software “Mathematica 5 “  si è applicata ad essa la denormalizzazione di frequenza, e la si è quindi fattorizzata nel prodotto di due funzioni di trasferimento di 2° ordine ciascuna delle quali individua dei propri Q ed wn sulla base dei quali si scelgono i componenti del passa-basso Infinite-gain il cui schema è il seguente :

Si è a questo punto simulato al computer mediante il software “ PSPICE  ver. 8 “ il comportamento del circuito costituito dai due blocchi del 2° ordine posti in cascata i cui valori dei componenti sono appena stati determinati, per semplicità è stato scelto un amplificatore operazionale classico, il TL081 , il quale pur non essendo caratterizzato da prestazioni eccezionali in termini di banda passante si è rivelato sufficiente per questo progetto , in particolare poi esso è stato preferito alla versione integrata di due amplificatori operazionali forniti dal circuito integrato TL082 in quanto il circuito verrà realizzato su basetta millefori e quindi conviene per agevolare le saldature avere i componenti abbastanza distanziati tra loro.

Il circuito viene alimentato con una alimentazione duale di ±10V .

Viene in seguito mostrato lo schema del circuito ottenuto nel quale al fine di massimizzare il range dinamico dei segnali che possono essere filtrati, le sezioni del 2° ordine sono state ordinate da sinistra verso destra in ordine di Q crescente, viene inoltre fornito l´esito della simulazione sia in termini di andamento nel tempo delle tensioni d´ingresso e d´uscita che la risposta nel dominio della frequenza nella quale è stato evidenziato il ripple di circa 0.5dB in banda passante.

L´esito della simulazione con SPICE è rispondente alle prestazioni richieste, occorre ora però determinare dei valori commerciali per tutti i componenti , a tal fine per avere un maggiore controllo sugli effetti della errore introdotto, vengono nel seguito calcolate le sensibilità del modulo della funzione di trasferimento alla variazione di ogni componente, viene in particolare calcolata l´espressione della sensibilità, ne viene graficato la andamento in funzione della frequenza e ne viene calcolato il valore in corrispondenza della frequenza di taglio.

Dai grafici in particolare si possono dedurre le seguenti osservazioni :

a)       la sensibilità è massima in prossimità della frequenza di taglio per tutti i componenti tranne che per R2B per la quale la sensibilità è massima ed unitaria nell´origine per poi quasi annullarsi vicino alla frequenza di taglio.

b)       Il valore di picco della sensibilità è inferiore ad 1 in modulo nella banda d´interesse per gran parte dei componenti, solo per R2A vale circa 2 mentre per C5A , R3B e C6B è di poco superiore ad 1

c)       La sensibilità per alcuni componenti assume valore positivo mentre per altri assume valore negativo.

L´esito di queste elaborazioni è riportato nei seguenti 14 fogli ottenuti utilizzando “Mathemathica 5 “.


Si procede pertanto alla individuazione di valori commerciali per le resistenze , a tal fine si fa riferimento alla seguente

tabella

Per mezzo della quale e tenendo conto delle sensibilità si perviene al seguente adattamento, esso è stato ottenuto mediante ripetute verifiche sull´esito delle singole approssimazioni, in particolare nel caso di R3A, non essendo reperibile un valore commerciale adeguatamente prossimo, si è reso necessario mettere in serie al valore commerciale più prossimo ossia 820W una seconda resistenza da 56W in quanto in sua assenza si aveva un eccessivo scostamento della frequenza di taglio rispetto al valore desiderato. Le resistenze sono state scelte con una tolleranza del 5% e per potenze massime di 0,25W.

Componente

Valore necessario   ( W )

Valore commerciale 1  ( W )

Valore commerciale 2  ( W )

R1A

757

750

 

R2A

1230

1200

 

R3A

878

820

56

R1B

2418

2400

 

R2B

3928

3900

 

R3B

8205

8200

 

Disponendo purtroppo di un multimetro e di numerosi componenti con lo stesso valore nominale, si è pensato di aumentare la qualità del filtro andando a selezionare i componenti che più si avvicinavano ai valori richiesti, in tale operazione ci si è accorti di tolleranze ben superiori al 5% per molti valori di resistenze, sono pertanto stati montati nel circuito i seguenti valori :

Componente

Valore necessario   ( W )

Valore reale 1  ( W )

Valore reale 2  ( W )

R1A

757

750

 

R2A

1230

1212

 

R3A

878

818

60

R1B

2418

1270

1163

R2B

3928

3830

 

R3B

8205

8200

 

Nel caso di R1B ci si è dovuto battere contro l´incuria del rivenditore che ha dimenticato di fornire le resistenze da 2400W che pertanto sono state ottenute mettendone in serie due del valore nominale di 1200W opportunamente selezionate. Per questi componenti viene illustrato l´esito della simulazione con  “ SPICE “ .


Col conforto della simulazione si procede al montaggio del circuito, come già affermato si sceglie l´implementazione su basetta millefori in quanto presenta un time-to-exam decisamente inferiore rispetto alla realizzazione del circuito stampato per il quale del resto non sono disponibili ne materiali di consumo ne attrezzature. La bread-board del resto risulta inaffidabile riguardo all´efficacia dei collegamenti e confusionaria pertanto viene scartata come soluzione anche se si sarebbe dimostrata senz´altro la più rapida.

Per evitare shock termici agli integrati nel corso delle saldature e per consentirne la rapida sostituzione o riciclo, essi vengono montati su zoccolo inoltre, date le frequenze in gioco e la applicazione, i condensatori vengono scelti di tipo ceramico.

Le connessioni, laddove possibile, vengono effettuate mediante i terminali dei componenti, per distanze superiori si ricorre ad un cavetto di connessione del tipo utilizzato per le bread-board.

Per mezzo di terminali di resistenze sono poi state realizzate sulla basetta 5 interfacce col mondo esterno :

a) V+                      da connettere al     +10V della alimentatore

b) V-                       da connettere al     - 10V della alimentatore

c) GND                  da connettere allo      0V della alimentatore

d) Vin                     da connettere sia al generatore sinusoidale che al canale A della oscilloscopio

d) Vout                  da connettere al canale B della oscilloscopio

Il circuito così realizzato viene poi testato mediante il seguente banco di misura :

 

I risultati delle misure sono poi presentati sia in forma tabellare che grafica, in particolare per ogni frequenza viene fornita sia la tensione picco-picco del segnale d´uscita che il guadagno in dB.

Anche i grafici sono disponibili sia in Volt che dB e con uno span di 5kHz e di 45kHz.

Dalle rilevazioni sperimentali si desume un sostanziale peggioramento delle prestazioni rispetto a quanto si era ottenuto in sede di simulazione, si ha infatti che la frequenza di taglio si è spostata leggermente più in basso e che il ripple in banda passante è di circa 1,5dB tuttavia ci conforta l´errore sperimentale che senz´altro si è verificato nel corso delle misure ed ha almeno in parte concorso a questo deterioramento come pure i componenti possono aver subito degli shock termici nel corso del montaggio.