Sito Visitato 510897 volte Pagina Visitata 2334 volte Sei in : Etantonio/IT/Universita/4anno/TeoriaCircuiti/     

Filtri attivi RC con più amplificatori

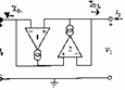
1) Filtro KHN :

Partendo da una generica caratteristica passa-banda del 2° ordine  dividendo per  ed uguagliando tra loro i numeratori ed i denominatori si ottengono 2 equazioni le cui antitrasformate sono    e     cui corrisponde il circuito

 

Una cui realizzazione è

Alcuni criteri di progetto sono :

a) sia C1 = C2 = C   ed    R3 = R5 = R6   , si calcola      ,    e     mentre     .

b) sia C1 = C2 = C ,  si ottiene    ,       ,   e     e      ,        , .

Entrambe i progetti presentano una sensibilità minore di 1 quindi ottima, da notare che l´uscita passa-banda è invertente.

 

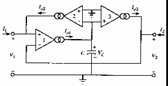
2) Filtro Tow-Thomas :

Si ottiene applicando una retroazione rigenerativa ad un oscillatore RC

 

Una possibile realizzazione circuitale è

Per il progetto sia R2 = R3= R   e C1 = C2 = C  , scelto C si trova   ,     e    oppure  . Da notare poi che il circuito non fornisce una uscita passa-alto.

 

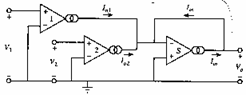
3) Filtro biquadratico ad amplificatore multiplo :

Esso realizza la funzione di trasferimento  si realizza sommando le uscite del filtro KHN mediante un quarto amplificatore operazionale ricordando però che l´uscita VBP è invertita e quindi deve essere applicata al morsetto invertente di questo sommatore .

L´espressione della uscita V2 è molto complessa, per semplificarla si pone     e    , si ottiene            ,                  ,              ,                  .   Se invece si connette a massa il morsetto sinistro di R10 si ottengono degli zeri sulla asse jw quali quelli richiesti dalle approssimazioni ellittiche e Chebyshev-inverso , in tal caso si ha             ,                                ,    ,               .

.

 

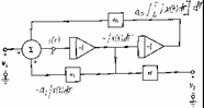
4) Filtro attivo universale :

Si tratta di un filtro KHN modificato in modo che le uscite LP , BP , HP  siano disponibili invertenti e non e si possa anche scegliere H0 la modifica consiste solo nell´introduzione dei resistori R7 ed R8  :

Per VinB = 0  si ottiene la configurazione non invertente per la quale un metodo di progetto consiste nel porre C1 = C2 = 1nF   R4 = R5 = 100kW  , R6 = 10kW   ,  R8 = ¥  , si ottiene      mentre  i valori di R3 ed R7 sono funzione della realizzazione LP , BP , HP .   Per VinA = 0 si ottiene la configurazione invertente per la quale un metodo di progetto consiste nel porre C1 = C2 = 1nF   R4 = R5 = 100kW  , R6 = 10kW   ,  R8 = ¥  , si ottiene   mentre i valori di R8 ed R7 sono funzione della realizzazione LP , BP , HP .

 

 

 

 

 

 

 

 

5) Modelli per OTA :

Ideale :

Si tratta di un VCIS per il quale la corrente d´uscita è  con  , l´impedenza d´ingresso è infinita e quella d´uscita è nulla.

Reale :

le capacità sono della ordine del pF , le resistenze d´ingresso 0.5MW e la resistenza d´uscita 50MW la maggiore limitazione risiede nella ampiezza del segnale d´ingresso che può essere al massimo 30mVpp

 

 

 

 

 

 

6) Resistore realizzato con OTA :

Si possono realizzare in forma integrata resistori di valore elevato sia verso massa

per il quale si ha  e quindi  che flottanti

per i quali se gm1 = gm2 = gm si ha .

7) Sommatore OTA :

Per sommare delle correnti basta un nodo, la corrente somma attraversa poi un resistore sempre realizzato con OTA e si ottiene   ossia la somma pesata degli ingressi del circuito .

 

 

 

 

 

 

 

 

8) Integratori OTA :

Si può realizzare un integratore con ingresso differenziale

per il quale    come pure un integratore con perdita inserendo in parallelo al condensatore un resistore realizzato con OTA.

 

 

9) Induttanza OTA :

Questo circuito presenta un´impedenza d´ingresso inversamente proporzionale all´impedenza di un dato carico, nel caso questo sia un condensatore si ottiene quindi il comportamento di un´induttanza.

Nel caso occorra un induttore flottante si adotta invece lo schema :

che per gm1 = gm2 = gm3 = gm  simula una induttanza di valore  .