Emplacement Visité 511755 periodes Page Visitee 49 periodes Vous Etes ici: Etantonio/FR/Universita/4anno/TeoriaCircuiti/     

Filtres actifs RC avec un amplificateur simple

1) la comparaison entre les filtres actifs et les filtres vous passe :

Les filtres actifs sont plus légers et demande que peu d'espace concernant les filtres vous passent, d'ailleurs ils peuvent être réalise à vous dans la forme intégrée que d'elle elle concourt la production dans la masse et la réduction des coûts.

 

2) philosophies de la réalisation des filtres actifs :

Cascata la fonction nette est fattorizzata dans les produits des limites de 2° l'ordre chacun dont est individuellement réalisé d'un circuit actif RC et de l'endroit en cascade aux autres.

Diretta la fonction nette vient complètement réalisé d'un seul circuit

 

3) VCVS :

C'est une source de tension commandée dans la tension, a idéalement suivre de caractéristique :

)       à la rigidité infinie du revenu

b)       rigidité d'évasion nulle

c)       d'évasion de tension proporziona linéairement ils par un gain à la tension de revenu

Dans le VCVS elle réalise avec les amplificateurs opérationnels que la rigidité de revenu à vous est d'un certain MW tandis que la rigidité d'évasion est plus petite de 100W .

 

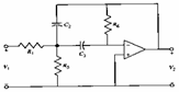
4) les configurations pour un amplificateur opérationnel utilisé aiment VCVS :

Des marques d'Invertenteleur est appliquées par la résistance R1 à l'agrafe inversante à laquelle il atteint les marque également de l'évasion par la résistance R2 , l'agrafe positive doit amasser et donc le gain s'avère être .

Invertente ne marque pas leur est appliqué à l'agrafe positive tandis qu'au négatif d'agrafe il est relié vers la masse la résistance de Rle 1 et résistance de la rétroaction R2 , le gain s'avère être .

Inseguitore est un amplificateur n'inversant pas dans quel R2 = 0 que 1 implique K=1l'ossia V 2=V.

 

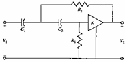
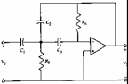
5) filtre général d'amplificateur simple :

Le filet passif dans la figure est caractérisé des équations dans lesquelles pour la présence du VCVS peut être remplacée et éliminer 2ª l'équation dans combien de Zhors= de 0, étant été d'ailleurs3 = 0 obtient cela pour la réalisation

implica .


 

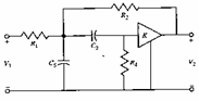
6) Sallen et passer-basse clef :

De l'égalité et de se rappeler les valeurs il trouve à vous pour N31 , N32 , N33 est observé qui les conductancesde Y 1 etde Y 3 Y doivent être constants qui est1 = G1 e 3Y = 3 queG d'ailleurs N32 doit avoir un un simple zéro dans l'origine donc Y2= Sc2 et Y6= 0 tandis que N33 doit être de l'ordre 2° avec de vrais zéros niés et donc Y 4 =Sc 4 est obtenuà vous et à Y5= 0, de lui suit le che

Pour un tel contour quelques critères de plan sont suivants :

a) est R1 = R3= R et également 2C = C4 = C obtient ,

b) est K=1 , , R1 = R la communauté européenne2 = C, obtient et

c) est K=2, C2 = C4 = C, obtient et

Tous et les 3 plans les donnent à endroit au proporziona de sensibilité directement à Q qu'il est délétère quand de meilleurs filtres procurables à Q élevé sont voulus pour être réalisés à la place en utilisant les rapports 1:10 que 1:1 entre R1 et R3 ou 2C et C4 .

 

7) Sallen et pass-band principal :

De l'égalité et de se rappeler les valeurs il trouve à vous pour N31 , N32 , N33 est observé que Y1 et Y3 doivent être un par condensateur et l'autre un resistore, suppose que Y1 = G1 e 3Y 3 =Sc afin de satisfaire la condition sur N32 doit être eu 2Y= G2 et Y6= 0 tandis qu'afin de satisfaire celui-là sur N33 nous plaçons 4Y = 4G et Y5= Sc5 , ottiene .

Pour un tel contour quelques critères de plan sont suivants :

a) est R1 = R2 = R4 = R et également 3C = C5 = C obtient e

b) est K=2 e R1= C3 = C5 = 1 obtient l'ED

 

8) Sallen et passer-haute clef :

De l'égalité et de se rappeler les valeurs il trouve à vous pour N31 , N32 , N33 on le constate que que 1 = Sc1, 2Y = 2G doitêtre Y, 3Y 3 =Sc , 4Y= 4G , 5Y = Y6 = 0, obtient

Pour un tel contour quelques critères de plan sont suivants :

a) est R2 = R4 = R la communauté européenne1 = C3 = C obtient .

b) le sia K=1 , , C1= C, R2= R obtient e

c) sia K=2 la communauté européenne1 = C3 = C, ottiene e

 

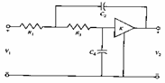
9) filtre général au gain infini avec l'amplificateur simple :

Le filet passif dans la figure est caractérisé des équations dans lesquelles pour la présence d'operazionalesi de l'amplificateur a V3 = 0, peut être 2ª éliminé l'équation dans combien de Zhors= de 0, étant d'ailleurs3 = 0 obtient cela pour la réalisation

dans la figure c'est a réduit .

 

10) passer-bas Infini-gagnent :

De l'égalité on déduit que jusque les dénominateurs 1 = Gdoit être Y1 e Y3 = G3 tandis que pour les dénominateurs Y2 = G2 , Y5 = Sc5 , Y6 = Sc6 est atteint donc les équations .

Un critère de plan consiste en plaçant C5 = C la communauté européenne6 = escroc de mètre-bougie , obtient .

Ébauche d'un filtre idéal pour les réalisations à Q élevé dans combien présente une sensibilité de Q concernant les variations des paramètres toujours inférieurs à 1.

11) Infini-gagnent le pass-band :

Du silicium d'égalité il a cela placer Y1= G1 , Y3 = Sc3 , Y2= Sc2 , Y5= G5 e Y6= G6

Un critère possible de plan consiste en porre C2= C3= C, ottiene .

 

12) passer-haut Infini-gagnent :

Du silicium d'égalité il a cela placer Y1= Sc1,

Y2 = Sc2 , Y3= Sc3 , Y5= G5 e Y6= G6

Un critère possible de plan consiste en porre le C1 = C3 = C, est obtenu :

.

 

 

 

 

13) Critères de plan pour des filtres en cascade d'un plus grand ordre de 2 :

Si un filtre avec l'ordre inégal doit être réalisé que la section de 1° que l'ordre a constitué à partir d'un RC ou le CR va courrier au commencement de la cascade et suite d'un poursuivant de tension, les sections restantes de 2° l'ordre disparaissent passé commande avec l'augmentation de Q.