Emplacement Visité 511759 periodes Page Visitee 111 periodes Vous Etes ici: Etantonio/FR/Universita/4anno/TeoriaCircuiti/     

Filtres actifs RC avec plus d'amplificateurs

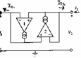
1) Filtre KHN :

Laissant d'un pass-band caractéristique générique de 2° le dividende d'ordre pour et l'uguagliando entre ils les numérateurs et les dénominateurs 2 équations sont obtenus dont antitransformed sont e que le circuit correspond

 

Un dont la réalisation est

Quelques critères de plan sont :

) 1 =C est C2 = C ED R3 = R5 = R6 , calcola , et mentre .

b) 1 =C 2 =C est C, obtient , e e .

Les les deux les plans présentent une plus petite sensibilité de 1 donc une optimale, pour noter que le pass-band d'évasion inverse.

 

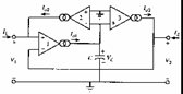
2) Filtre De Remorquer-Thomas :

Il est obtenu appliquant une rétroaction de rigenerativa à un oscillateur RC

 

Une réalisation possible de circuita ils est

Pour le plan 3 =R sontR2 = R et C1 = C2 = C, les trouvailles choisies de C , e ou . Noter alors que le circuit ne fournit pas un a sorti passer-haut.

 

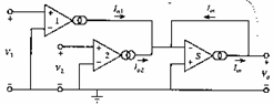
3) filtre multiple bicarré d'amplificateur :

Il réalise que la fonction du transfert vient vrai elle-même ajoutant les évasions du filtre KHN à l'aide d'un quatrième amplificateur opérationnel se rappelant mais ce point d'ébullition de l'évasionV est inverti et donc il doit être appliqué à l'agrafe inversante de ce sommatore.

L'expression de l'évasion V2 est beaucoup complexe, afin de le simplifier place e , obtient , , si à la place l'agrafe gauche de R 10 est reliée à la masse est obtenue des zéros sur l'axe jW que ces demandes des approximations elliptiques et Chebyshev-inverses, dans un tel cas ont , .

.

 

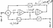
4) filtre actif universel :

L'ébauche d'un filtre modifié KHN de sorte que les évasions LP, le point d'ébullition, HP soient inverser disponible et et ne peut pas également être choisie 0H que la modification seul consiste en introduction du resistori 7R et 8R:

Pour l'inBde V = 0 la configuration n'inversant pas est obtenu pour laquelle une méthode de plan consiste en plaçant C1 = C2 = 1nF R4 = R5 = 100kW, R6 = 10kW , R8 = ¥, obtient le mentre les valeurs de 3R et R7 ils sont fonction de la réalisation LP, le point d'ébullition, HP pour L'inAV = 0 obtient la configuration inversante pour laquelle une méthode de plan consiste en plaçant C1 = C2 = 1nF R4 = R5 = 100kW, R6 = 10kW , R8 = ¥, obtient tandis que les valeurs de R8 et de R7 est fonction de la réalisation LP, le point d'ébullition, HP.

 

 

 

 

 

 

 

 

5) modèles pour OTA :

Idéal :

L'ébauche d'un VCIS pour avec lequel le courant d'évasion est , la rigidité de revenu est infinie et celui-là de l'évasion est nul.

Vrai :

les capacités sont de l'ordre du pf, les résistances du revenu 0.5MW et la résistance de l'évasion 50MW la limitation plus grande réside dans l'amplitude de marques elles du revenu ce pu² pour être au maximum 30mVpp

 

 

 

 

 

 

6) Resistore réalisé avec OTA :

Ils peuvent être réalisés dans le resistori intégré de forme de la valeur élevée est vers la masse

pour quel flotter est eu et donc cela

pour quel si gm1 = gm2 = gm sont eus .

7) Sommatore OTA :

Afin d'ajouter des courants assez un noeud, la somme courante croise alors un resistore toujours réalisé avec OTA et la somme pesée des revenus du circuit est obtenue qui est.

 

 

 

 

 

 

 

 

8) Intégrateurs OTA :

Un intégrateur avec le revenu peut être réalisé les différencie

pour quels semblables purs un intégrateur avec la perte s'insérant en parallèle au condensateur un resistore a réalisés avec OTA.

 

 

9) Inductance OTA :

Ce circuit présente un proporziona de rigidité de revenu inversement ils à la rigidité des données chargées, dans le cas que c'est un condensateur obtient donc le comportement d'une inductance.

Dans le cas qu'il est nécessaire un inducteur flottant est adopté à la place le contour :

cela pour gm1 = gm2 = gm3 = inductancede g m de valeur simule un.