Emplacement Visité 511991 periodes Page Visitee 76 periodes Vous Etes ici: Etantonio/FR/Universita/4anno/TeoriaCircuiti/     

Méthodes pour la réalisation directe

1) équations qui décrivent les paramètres de transmission :

 

2) GIC :

(Convertisseur Généralisé D'Impédance)

L'ébauche d'un circuit qui concourt pour réaliser au moyen de divers types actifs des membres RC de membres vous est passée, dont une partie les lance. Le circuit est le seguente :

Tirer profit du fait que la différence potentielle ils aux agrafes du revenu de l'opérationnel il est 0 et cela de le même elle n'absorbe pas le courant, la matrice de la transmission est obtenu .

 

3) GENIÈVRE et sa rigidité du revenu :

(Réseau Généralisé D'Impédance)

Il est obtenu finissant le GIC avec une rigidité Z5(s), obtient une rigidité du revenu qui a exprimé en termes d'accès est . Au moyen d'opportun choisi des stiffnesses ils peuvent être simulés est des inductances que les nouveaux membres vous passent.

 

4) réalisation des inductances au moyen de GENIÈVRE :

On emploie Un GENIÈVRE en lequel tous les stiffnesses sont des résistances excepté Z4 qui est des capacités, en suivent que la rigidité de revenu est de type inductif , à l'aide des amplificateurs opérationnels du type a assorti les effets de leurs paramètres non idéaux qu'ils viennent diminue cependant l'inductance réalisée à vous emploie les membres actifs et donc elle a besoin d'une ouverture vers la masse qu'elle concourt certains je l'emploie seulement dans les filtres passer-hauts où les inductances sont placées en coupe. La sensibilité aux éléments du GENIÈVRE est ±les tours 1 la sensibilité à l'inducteur simulé.

5) FDNR :

C'est un élément qui présente un accès du revenu à où D est un vrai positif constant cette mesure Farad-en s'accordant. La raison du nom est remplacement obtenu s = jW , Y(j w)=- W 2Dest euen fait donc un accès et un employé négatifs de la fréquence. Se rappeler que l'accès du revenu du GENIÈVRE est un FDNR choisissant Y 1 peut être réalisé et Yles 5 comme des admittances des condensateurs restants et des admittances sont des conductances, obtiennent . Le FDNR peut être seulement utilisation vous dans la réalisation des filtres passer-bas et le pass-band en fait appliquant la transformation de Bruton RLC " CRD consistant en denormalizzazione de rigidité avec est eu que la série d'inductances venir a transformé dans les conductances et le shunt de condensateurs dans FDNR. D'ailleurs afin d'approuver une distance vers la masse la continue, les condensateurs viennent bypassati des résistances opportunes. La réalisation du pass-band avec FDNR est plus complexe dans combien coûte meilleur n'est pas flotter, évident au problème en utilisant la cascade d'un GIC, d'un GENIÈVRE avec la rigidité Z(s) = s2D et d'un autre GIC.

6) saute-mouton :

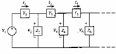
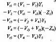
La technique saute-mouton n'est pas faite attention pour simuler le comportement des passages de quelques éléments à vous mais elle simule au moyen de des tensions est la série de courants qui le shunt de tensions d'un filet passif de balance

À ce que nous pouvons associer l'equazioni et donc le diagramme aux blocs


Par conséquent commencer de l'le filet simplement ou doublement chargé RLC a obtenu par les tables que les divers blocs sont caractérisés et il vient vrai elles à l'aide des intégrateurs est simple qu'avec des pertes récapitulatives, investers et.

Dans le cas désire venir vrai un pass-band, les blocs à simuler sont du type RLC ou le LC peut donc être réalisent avec un celui qu'à vous des circuits qui réalisent des fonctions de 2° l'ordre, le plus adapté sont le Remorquer-Thomas dans combien le pass-band d'évasion coûtent disponible inversent cela pas. De toute façon elles sont obtenues de la sensibilité à côté de ceux du circuit passif du départ.

 

7) filtres aux capacités de commutata :

Dans les circuits intégrés les résistances de la valeur élevée occupent l'espace très, elles peuvent être réalisées dans beaucoup de peu d'espace et avec plus de précision en utilisant un commutata de capacités selon le contour suivant

Pour ce qu'avec j1 2 hauts etle fond de j est eu

tandis qu'avec j2 haut et basso2 de j 1Q = 0 donc ž de ž .

Un resistore peut être négatif obtenu employant une diverse configuration de est fait de l'horloge

est eu en fait.

Les résistances réalisées peuvent donc être employées afin de réaliser inverser des intégrateurs, ne pas inverser et avec des pertes filtre encore moins Remorquer-Thomas et le saute-mouton, une fréquence de double d'horloge au moins doit de toute façon être employé concernant la fréquence maximum actuelle dans les marques elles du revenu, dans l'ottemperanza au critère de Nyquist, dans pratique il est au moins 100 fois plus grand. J'emploie des 4 que le transistor MOSFET d'ailleurs concourt pour diminuer l'effet des capacités parasites à les mêmes quand des condensateurs de l'ordre du pf sont voulus pour être employés dans le but pour ménager de l'espace dans le circuit intégré.