Emplacement Visité 511745 periodes Page Visitee 263 periodes Vous Etes ici: Etantonio/FR/Universita/4anno/Microelettronica/     

Théorie de MOS de transistor

1) typologie de MOS de transistor :

Il y a les transistors NMOS et PMOS c'est du type perfectionnement (…pour ce qu'il est nécessaire d'appliquer une tension de signe opportun à la porte ceux au but à la forme le canal) cet épuisement (…pour ce que le canal est formé également pour VGS = 0).

 

2) principe de fonctionnement NMOS :

Un substrat est eu p-a enduit dans ce qu'elles sont des gains que deux pièges égaux à vous n-ont enduit, un pour la source et l'autre pour le drain, elles sont terminées séparées vous d'un espace à ce qui là est l'oxyde et la porte ceux, parce que VDS = 0 les situations suivantes sont eus :

) accumulation : appliquant une tension négative à la porte ceux concernant le substrat, les lacunes actuelles dans lui sera rappelée vers l'oxyde donc en cours d'impression sa volonté soit eue s'accumule des lacunes et donc le courant dans combien ne glisse pas a deux épissures PN dans le contropunta.

b) Svuotamento : on a l'application d'une tension positive mais inférieure à la tension du seuilV T que les lacunes venir élasticité enlevée à la fin d'oxyde créent donc une région vidée des porteurs

c) Inversione : s'appliquant une tension positive avançée à Von a le T qu'ils viennent les électrons de rappels à vous du substrat qui viennent donc pour constituer un canal qui met en contact source et drain.

Au cas où le ¹0 de V DS il serait nécessaire pour se tenir le compte est de VDS que de VGS dans l'ordre en particulier établir la région de l'opération du NMOS si VGS < VT est dans l'interdiction dans combien le canal n'est pas formé du côté du drain tandis que pour VGD< VT il est dans la saturation et le canal est non seulement formé dans serré du drain. Dans des situations intermédiaires, le canal est formé et il est dans la région du triodo ou de la non-saturation.

 

3) tension du seuil VT :

La tension du seuil VT est due au fait qui est nécessaire un leggermente positif de tension afin d'enlever les porteurs de majorité et sur le rappel la minorité ceux, il vaut la peine est la tension du seuil pour un MOS non actuel que la différence du travail de fonction entre la porte et le substrat étant les améliore du volume et des charges avec le volume tandis qu' est la tension de la bande plate avec des chargesde fc de Q dues aux états superficiels. Les relations choisies précédentes de delle léger d'Alla est fc évident qu'un moment les matériaux pour la porte ceux et pour le substrat,V t il peuvent avoir changé l'action surN à,de Q (…au moyen d'impiantazione de ionien) et boeufde C (…employant différents isolateurs de matériaux pour la porte ceux).

 

4) base modèle du NMOS :

) interdiction : DS = 0 pour VGS < Vt

b) pas saturazione : par 0 < VDS < VGS - Vt

c) saturazione : par 0 < VGS - Vt < VDS

étant le facteur de gain.


 

5) concernant des effets de 2° l'ordre le NMOS :

)       à l'effet de corps

Le substrat du NMOS normalement est relié à Vsolides solubles , cela détermine Vun SB = 0 cependant en quelques structures logiques comme celle-là du non-et peut être nécessaire pour placer en cascade du NMOS et donc pour certains d'eux nécessairement le ¹ 0de SB sera V eu. L'effet de cette tension doit augmenter la tension de seuil, en fait ce SBde V est comporté pendant qu'une polarisation inverse et neutralise donc les frais libres et grimpe jusqu'à la région de della de prolongation de l'épuisement, d'elle dérive qui afin de former le canal de porte il est nécessaire de plus appliquent Al une tension élevée. En particulier l'expression du Vt qu'elle juge le compte de Vle SB est comportée avec g entre 0.4 et 1.2.

b)       Sottosoglia d'opération

Pour VGS < Vt il est dans l'interdiction cependant quele DS étant également beaucoup petit il n'est pas nul et il a un cours exponentiel qui peut être employé pour des systèmes à la basse consommation.

c)       Modulation de la longueur du canal

Dans la saturation le canal complètement n'est pas formé mais d'elle la petite prolongation du côté du drain manque d'un, cela détermine diminuer de L et par conséquent une augmentation est du rapport W/L que de b , donc d'une expressiondu DS qu'elle tient le compte de cet effet est comporté avec l entre 0.02V-1 et 0.005V-1 .

d)       Variation de mobilité

La mobilité diminue avec le drogaggio et avec l'augmentation de la température, d'ailleurs la mobilité des électrons est double concernant la mobilité des lacunes.

et)       tunnel d'effet

Dans le cas que l'oxyde de la porte est beaucoup jusqu'à ce que vous puissiez être le passage du courant de la porte ceux est vers la source qui vers le drain pour l'effet le tunnel en second lieu l'équation .

f)        Punchthrough

Si la tension appliquée au drain élève beaucoup, il peut avoir que la région vidante se prolonge jusque 2'à la source, et peut donc diapositive un indépendamment courant de la tension de la porte.

g)       électrons chauds

Quand la longueur del gate est beaucoup petite et le transistor est dans la saturation a un drain latéral électrique élevé de del du champ dal, ceci donne à l'endroit aux électrons beaucoup d'électrons chauds d'énonciations énergiques qui va à l'impattare avec le drain de nel de lacunes de présent et ils poussent à eux vers le substrat ou dans certains cas vers la porte ceux qui donnent donc l'endroit aux courants de delle.

 

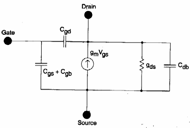
6) modèle du NMOS pour de petites marques elles :

Dans ce modèle les capacités entre les diverses agrafes sont présentes tous, une conductibilité d'évasion est obtenue à supposer que le MOS fonctionne dans la région de non-saturation et donc dérivant concernant VDS il est obtenu

Tandis que que le transconduttanza gm il est dérive IDS concernant VGS .

 

 

7) valve de diode :

C'est une épissure PN pour laquelle l'expression du courant est donc dans le cas de la polarisation inverse a seulement l'inverse courir la personne faibles l'en raison des porteurs de minorité tandis que dans le cas de la polarisation directe un cours exponentiel du courant en fonction de la tension V lui-même a appliqué aux têtes de I de la valve de diode.


8) BJT :

C'est un npn ou un pnp de sandwich pour lesquels le modèle suivant est eu :

) Interdizione : les les deux les épissures sont polarisées inversement, de lui il dérive qu'il ne glisse pas le courant entre l'emettitore et le collecteur.

b) Attiva : la base-emettitore d'épissure est directement polarisée donc ses têtes est approximativement eu 0,7V tandis que le base-collecteur d'épissure est polarisé inversement, dans ce cas-ciC = ble B .

c) Saturazione : les les deux les épissures sont polarisées directement, on l'a qu'aux têtes de la base-emettitore d'épissure il y a approximativement de 0,7V tandis qu'entre le collecteur et l'emettitore il y a de 0,2V.

Un modèle qui représente très l'opération du BJT est le modèle d'Ebers-Moll suivant :

Pour ce que c'est atteint rapidement l'expression où V à lui est la tension d'en raison tôt de la réduction de la longueur de la base et vaut la peine approximativement 50V.

 

 

 

 

9) inverseur NMOS avec la cargaison saturée NMOS à vider :

Un NMOS est avoir eu en tant qu'a chargé un épuisement de NMOS qu'il vient fait fonctionner constamment dans le cortocircuitando de saturation simplement la porte ceux avec l'évasion suivante selon le contour :

pour célèbre il qui , afin de déterminer la tension du revenu pour laquelle la commutation de la haute au fond est eue, est nécessaire pour supposer le MOS dans la saturation et l'uguagliare les courants, est obtenu où . Évidemment étant pour déroulant pour avoir le principe courant il est nécessaire de réduire le tpdde V mais il ne peut pas être réduit trop autrement ne peut pas être V euhors de subordonné à lui et s'éteindre le MOS, en nature choisit le tpdde V = la densité double0.2V , analogues pour tirez-vers le haut est eu est donc nécessaire pour augmenter le tpude V pour avoir le principe courant mais cela implique pour augmenter le rapport avec l'augmentation conséquente du secteur occupé donc imposant l'égalité des courants entre tirent-vers le haut et déroulants V le tpuest obtenu = la densité double0.8V mais en nature est réduit à nous à la densité double0.6V qu'il implique que s' INV est désiréla densité double V =0.5V est nécessaire pour avoir .

pendant qu'on regarde la caractéristique est celui-là d'un inverseur qu'il effectue l'excursion maximum et que la pente a on élever beaucoup ou dans l'ordre mieux pour dire un gain élevé dans la correspondance du passage élevé en bas.

 

 

 

 

 

 

 

 

 

10) inverseur pseudo-NMOS :

L'ébauche d'un inverseur en lequel tirez--vers le hautl'est constituée à partir d'un PMOS qu'elle est comportée comme un NMOS


11) Inverseur CMOS :

C'est un inverseur avec des exécutions optimales dans combien garantit l'excursion complète de Vla densité double et une du MOS deux n'absorbe pas la puissance dans les états stables dans combien coûte toujours l'interdetto donc pas n'est jamais une ouverture dirigée entre la densité doubleet le V solides solublesde V . L'analyse est effectuée subdivisant l'étude dans 5 régions d'opération qui déterminent considérer que le MOS peut être trouvé dans l'interdiction, la région linéaire ou la saturation. Nous considérons un Vdans le croissant de Vsolides solubles à la densité doublede V :

0 < Vdans < Vtn : le NMOS est interdetto donc le courant qui les croix il est nulle comme pur donc la nécessité de courant est nulle que des croix le PMOS HORS dont à la place il est dans la région active doncV DS = 0 etV = densité doublede V .

Vtn < Vdans < densité double/2de V : le NMOS entre dans la saturation tandis que le PMOS il est dans la région linéaire, uguagliando les deux expressionsde la substitution de previa de DS de Vsystème de préférences généralisées = Vdans la densité doublee V DSp= V de â?"Vdensité double de V hors de â" obtient l'expression de Vdehors .

Vdans = densité double/2de V : le les deux le MOS sont dans la saturation, ébauche d'une soit valide instable seulement pour cette valeur de la tension de revenu, la valeur de la tension d'évasion ne sont pas univocamente déterminé.

Vdensité double/2 < Vdans < densité doubleV tpde V : le NMOS est dans la région linéaire tandis que le PMOS il est dans la saturation, uguagliando que les deux courants obtient l'expression du Vdehors .

Vdans > densité doublede V - Vtp : le NMOS est dans la région linéaire tandis que le PMOS il est interdetto, ci² détermine que Vhors de = Vsolides solubles

C'est d'observer que nous avons placé l'inv =la densité double /2 de Varbitrairementde V tandis que son expression est gagnée imposant la saturation pour tous les deux le MOS, a de ce qui démontrent cela à la croissance du rapport de I b l'invde V qu' il diminue tandis que le ripidità de la courbe reste sans changement, toutefois est choisi a conseillé d'avoir l'égale de b, dans telles charges d'une manière en fait et l'exercice les capacités de cargaison est temporairement des équivalents.

 

12) marges de bruit :

Nous considérons l'inverseur un CMOS qui pilotent un deuxième inverseur CMOS, les évasions du 1° avancé à VOL vient vous considère les niveaux bas tandis que ceux avançaient ceux à VOH viennent les niveaux élevés considérés. Pour l'inverseur 2° à la place, les revenus inférieurs à V qu' ils viennent vous considère les niveaux bas tandis que ceux avançaient ceux à VIH viennent vous considèrent les niveaux élevés, afin d'éviter naturellement d'avoir une zone d'indeterminata assemblent ce VIH = V , les valeurs qui peuvent être vous déterminent de la courbe caractéristique caractérisant avoir la pente â?"1 de points (…que correspond alors au gain être la courbe qui exprime Vselon hors de Vdedans). Ils viennent ont défini les marges de bruit qui indiquent combien à nous peut être élevé le bruit pour ne pas identifier un niveau comme un autre, ont e

 

13) Inverseur BiCMOS :

C'est un laddove adapté d'inverseur en particulier doit être de grandes cargaisons pilotées à la grande vitesse, de telles exécutions en fait peut être seulement obtenu avec un BJT sorti, le contour est suivant :

pour Vdans = 0 P 1est eu sur celui donc il après que tout introduise la conductionNPN que le 1 tandis queNPN 2 est interdettode N 3, échappent à la porte au â" V de densité double de VSOIT . Pour Vin = 1 N 1est eu dessus et donc NPN1 est interdetto tandis que N2 introduit 2 la conductionNPN et donc la porte d'évasion à la valeur VCEsat qui est approximativement à 0,2V, donc l'excursion de cet inverseur n'est pas maximum et ne crée pas des problèmes dans le cas des beaucoup d'inverseur en cascade.


 

 

14) Porte De Transmission :

E 'que un dispositif a beaucoup employé afin de réaliser le multiplexeur et a sorti de trois états, l'étude de son opération vient effectué séparément pour le NMOS et pour le PMOS à supposer qu'il y a des capacités reliées à l'évasion, elle est eue :

Si S=0 le NMOS est bloqué indépendamment de la valeur du revenu tandis que pour S=1 si Vdans= le 1 condensateur il est chargé et étant VGD = 0 il est dans la saturation, mais les charges de densité double n'arrive pas jusqu'à ce qu'à V la densité double dans hors de combien le NMOS passe dans l'interdictionpour V =V- Vt Quando Vdans le passage à 0 le condensateur doive être déchargée, la source plus négative du NMOS soit l'agrafe et donc celle-là de revenu donc VGS est au commencement égale à Vdensité double > Vt donc que le canal est formé du côté de la source et il elle est également du côté du drain dans combien a VGD > Vt , il est donc dans la région du triodo et la décharge de condensateur complètement dans combien de l'expressiondu DS est eu qu'elle décommande seulement elle-même si VDS = 0. De les précédents on le déduit que le NMOS il est idéal afin de concourir le passage des niveaux bas, mais insuffisant pour les niveaux élevés.

Si - S=1 le PMOS est bloqué indépendamment de la valeur du revenu tandis que pour â?"S=0 si Vdans= le 1 condensateur sont chargés, dans ce cas-ci VSG > VT et donc le PMOS ils sont toujours dans la conduction et les charges de condensateur jusque 2'à la densité doublede V . Quand Vdans = 0 le condensateur doit être déchargé mais quand il atteint la valeur Vt , interdice donc on le réalise certains que le PMOS il est comporté bien dans le transfert des niveaux élevés et mal dans le transfert des niveaux bas.

Après toute la porte de transmission si S=0 a une évasion dans la haute rigidité qui laisse au condensateur sa valeur d'elle charge tandis que si S=1 les niveaux élevés viennent elle vous passe dans l'évasion du PMOS tandis que les niveaux bas viennent passage à vous du NMOS.