Emplacement Visité 511991 periodes Page Visitee 51 periodes Vous Etes ici: Etantonio/FR/Universita/4anno/ComunicazioniElettriche/     

Réception en présence de bruit

Numerica de réception en présence de bruit

1) caractéristiques de la réception numérique en présence de bruit :

Nous supposons qu'un vrai canal numérique est affection d'AWGN, il pouvons être représentés sur une base des débiteurs de ¥ que la base aux débiteurs de n contient sur ce que le processus utile est représenté. Le bruit nr(t) représenté sur les premiers débiteurs de N contient l'information restante sur le processus tandis quenle (t) représenté sur le ¥ - les débiteurs de N est indépendant est du processus utile que de nr(t), il vient le bruit appelé insignifiant et négligé dans le trattazione restant. Le bruit est représenté donc dans l'espace des marques elles du porteur où le nj ils ont la densité de la probabilité de 1° l'ordre, analogue il marque les a reçus que rr(t) est décrit du porteur observable avec cela ils sont v.a. continus dans combien de somme d'un v.a. discret et d'un v.a. il continue.

 

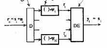
2) démodulation et décision en présence de bruit :

Elle se suppose que que la modulation numérique avait manqué dedans codifie et en utilisant une transformation series-parallel, a associé à chaque élément de la constellation un mot binaire au peu. Le contour du demodulatore numérique est :

à l'évasion du mettre hors jeu du correlatori que les membres r j du porteur observable r 0 ont eux-mêmes qui pour par l'intermédiaire de du bruit ne coïncide pas sans le porteur de la constellation, ont eux-mêmes en fait que la probabilité pour recevoir une foisr j qui a été s émisd est et être le indépendantde n j statistiquement est eu .

Un decisore est donc nécessaire qu'appliquant un critère de décision il associe r0 à un des porteurs de la constellation.

 

3) Critères de décision :

CRITÈRE de CARTE (probabilité de maximum a posteriori)


Pour chaque porteur sd qu'il peut être émis du modulateur qu'il calcule le dopodichè conditionné de probabilité choisit le porteur sj si chaque pour
le ¹ j, de lui s'avère que la probabilité de la décision fausse est minimale et donc le critère est optimal. En nature n'est pas les notes tandis qu'à la place elles sont puis s'appliquant le théorème à lui de Bayes a donc observer que le numérateur simple est fonction de obtient une alternative de formulation du deuxième critère de CARTE qui est s choisij si chaque pour le ¹ j se rappelant alors qui est 3ª atteints la formulation du deuxième critère de CARTE qui choisit sj si chaque pour le ¹j qu'en bref il implique la subdivision de l'espace des marques qu'elles dans les régions de la décision ont pesées avec la probabilité de émission de chaque porteur de la constellation. De cette dernière formulation de Critère de CARTE démontrez qu'on le vérifie si est eu le maximum de la fonction vectorial avec a donc le contour alternatif suivant du demodulatore numérique avec le decisore.

CRITÈRE de MILILITER (maximum de vraisemblance = verosimiglianza maximum)

C'est un critère de subottimo selon lequel chaque pour le ¹ est s choisi j si j que banally la deuxième formulation correspond l'alternative qui choisit sj si chaque pour le ¹j qui est choisit le porteur sj de la constellation qui plus étroit s'avère être à r0 . Dans ce cas-ci étant absentes les probabilités de l'émission des porteurs simples, les régions de décision ont tout le même secteur.

 

4) probabilité de décision correcte et fausse :

Se rappeler que les critères de décision ne font pas autre que pour associer à chaque porteur de la constellation une région de décision, elle suit une partie que la probabilité de la décision corrigée conditionnée au porteur publié sd est l'intégrale de sur la régionassociée de D d à sd , a qui est tandis que la probabilité de la décision corrigée est et la probabilité de l'erreur Pet = 1-PC enfin la probabilité de l'erreur de Pet est la probabilité qui est faux un peu et est la fonction de codifie de la modulation utilisée, comme exemple dans le cas de la modulation d'antipodale .


Estime linéaire des marques elles continues

5) caractéristiques de l'estime continue :

Le processus reçu est la somme d'un processus utile stationnaire ou de ciclostazionario avec le s(t) continu moyen nul de réalisation au valor et à la densité spectrale P(f) célèbre qu'une puissance de P(f) correspond, et d'un additif gaussien de bruit avec le n(t) moyen statistique nul de réalisation au valor et à la densité spectrale N(f), commencer du r(t) que le priseur assure une estime continue linéaire du s(t) utile comporté simple de partie dans le r(t), le commis de magasin d'erreur d'estime est . Pendant un moment t de donnéesles exécutions 0 du priseur sont fonction de s(t) = de s et viennent caractérisé par la polarisation conditionnée , le désaccord conditionné de l'erreur et dont a prévu les valeurs conditionnées par erreur quadratique moyenne sont respectives la polarisation, le désaccord de l'erreur et le milieu quadratique d'erreur . Un adimensional l'indicateur que relatif appelé la qualité de l'estime continue a elle-même d'ailleurs cela en bref est un balise-bruit de rapport.

 

6) caractéristiques des priseurs LTI :

Le priseur doit nécessairement présenter la déformation dans la façon dont beaucoup doit favoriser le passage des membres spectraux du r(t) pour lesquels il les marque utiles règne sur le bruit et gêner à la place le passage des membres pour lesquels le bruit règne sur des marques elles. Admettant la déformation linéaire simple de l'amplitude le contour suivant est équivalent eu pour le priseur qu'il démontre pendant que l'estime continue est se compose de 4 cumulateurs

là où le n(t) et le net(t) eux sont dérangez tandis que setle (t) est une perturbation si .

On constate que les caractéristiques du sono de priseur , , étant Pet la puissance de la perturbation due à la déformation linéaire de l'amplitude, la puissance du bruit simple dans l'évasion et la puissance du processus de l'estime LTI. On l'observe que l'optimisation de la qualité de l'estime est invariable concernant la présence d'un facteur constant dans la fonction utilisée du transfert, ce résultat vient utilisé pour le ricondursi toujours au détail de cas de l'homme blanc additif gaussien de bruit au moyen d'un sbiancatore pour mettre dans l'avant au priseur et à un sbiancatore complémentaires au postplace.

15) typologie des priseurs LTI :

Priseur linéaire optimal de Saucisse-Hopf

Diminuer la qualité de l'estime est maximisé, une telle optimisation est effectuée du filtre de la Saucisse-Hopf avec , antitransforming trouve une vraie réponse impulsive et l'égale donc antimotive donc le quadripolo n'est pas physiquement réalisable, utilise alors un filtre dont la réponse impulsive rapproche qu'un de la Saucisse-Hopf par t > 0 mais lui est nul pour t < 0.

Priseur linéaire avec la coupe optimale de la bande

Nous considérons pour le semplicità un homme blanc de bruit avec la densité spectrale N0 , le priseur linéaire avec la coupe optimale de la bande a la fonction du transfert rectangulaire qui vaut la peine gt0 pour les fréquences comportées entre f1 et f2 pour lesquels le processus utile règne sur le bruit et vaut la peine ailleurs à la place 0. La qualité qui s'en avère est et est maximisée pour le filtre physiquement réalisable présente une atténuation de 6dB aux fréquences de coupe et détermine un plus grand balise-bruit de rapport concernant cela qu'il serait eu avec le filtre rectangulaire.

Priseur linéaire non polarisé

Si nous avons un processus reçu avec la partie utile étroitement limitée dans la bande = le â "f m de B de fM, nous pouvons réduire se produire mais déformation du bruit à l'aide d'un filtre avec la bande B12 < B.

Si la portée est à la place de réduire la déformation, on doit polariser le priseur qui est ne doit pas être un filtre avec les fréquences de la coupe qui coïncident avec les extrémités de la bande utile, dans un tel cas en fait que la qualité de l'estime vient pour coïncider avec le balise-bruit de rapport à l'évasion de Q.

Un tel priseur est célèbre également en l'absence de la connaissance de la densité spectrale de la puissance utile et sa qualité est gagnée immédiatement, est donc préférée aux autres priseurs également parce qu'à la croissance de la qualité de l'estime, elle s'avère à vous diffèrent peu.