Sitio Visitado 512491 vueltas Pagina Visitada 239 vueltas Usted esta en : Etantonio/ES/Universita/4anno/TeoriaCircuiti/     

Filtros activos RC con un solo amplificador

1) la comparacin entre los filtros activos y los filtros le pasa:

Los filtros activos son ms ligeros y demanda que poco espacio con respecto a los filtros le pasa, por otra parte pueden estar realizan a usted en la forma integrada que de ella concurre la produccin en masa y la reduccin de costes.

 

2) filosofas de la realizacin de los filtros activos:

Cascata la funcin neta es fattorizzata en productos de trminos de 2 la orden cada una de la cual se observa individualmente de un circuito activo RC y de lugar en cascada a las otras.

Diretta la funcin neta viene realizado totalmente de un nico circuito

 

3) VCVS:

Es una fuente de la tensin controlada en la tensin, tiene idealmente siguiente de la caracterstica:

)       a la tiesura infinita de la renta

b)       tiesura del escape nulo

c)       del escape de la tensin proporziona linear ellos con un aumento a la tensin de la renta

En el VCVS realiza con los amplificadores operacionales que la tiesura de la renta a usted est de un cierto MW mientras que la tiesura del escape es ms pequea de 100W .

 

4) las configuraciones para un amplificador operacional usado tienen gusto de VCVS:

Las marcas de Invertente se aplican les con la resistencia R1 al clip que invierte a el cual l alcanzan tambin lo marcan del escape con la resistencia R2 , el clip positivo debe formarse y por lo tanto el aumento resulta ser .

Invertente no marca se aplica les al clip positivo mientras que con la negativa del clip est conectado hacia masa la resistencia de Rel 1 y resistencia de la regeneracin R2 , el aumento resulta ser .

Inseguitore es un amplificador que no invierte en qu R2 = 0 que 1 implica K=1el ossia V 2=V.

 

5) filtro general del amplificador solo:

La red pasiva en figura se caracteriza de las ecuaciones en las cuales para la presencia del VCVS puede ser substituida y eliminar 2 la ecuacin en cunto Zfuerade = 0, siendo sido por otra parte3 = 0 obtiene eso para la realizacin

implica .


 

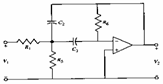
6) Sallen y llave pasar-baja:

De la igualdad y de recordar los valores encuentra a usted para N31 , N32 , se observaN 33 que los conductancesde Y 1 yde Y 3 Y deben ser constantes que sea1 = G1 e 3Y = 3 queG por otra parte N32 debe tener un uno simple cero en el origen por lo tanto Y2= sC2 y Y6= 0 mientras que N33 debe estar de la orden 2 con el zeri verdadero negado y por lo tanto Y 4 =sC 4 se obtienea usted y a Y5= 0, de ella sigue el che

Para tal contorno algunos criterios del plan son siguientes:

a) es R1 = R3= R y tambin 2C = C4 = C obtiene ,

b) es K=1 , , R1 = R Comunidad Europea2 = C, obtiene y

c) es K=2, C2 = C4 = C, obtiene y

Todos y los 3 planes los dan a lugar al proporziona de la sensibilidad directamente a Q que es deletreo cuando filtros obtenibles mejores a alto Q se desean para ser observados en lugar de otro usando las relaciones 1:10 que 1:1 entre R1 y R3 o 2C y C4 .

 

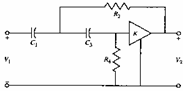
7) Sallen y pass-band dominante:

De la igualdad y de recordar los valores encuentra a usted para N31 , N32 , se observaN 33 que Y1 y Y3 deben ser una al condensador y la otra un resistore, asume que Y1 = G1 e 3Y 3 =sC para satisfacer la condicin en N32 se debe tener 2Y= G2 y Y6= 0 mientras que para satisfacer aqul en N33 colocamos 4Y = 4G y Y5= sC5 , ottiene .

Para tal contorno algunos criterios del plan son siguientes:

a) es R1 = R2 = R4 = R y tambin 3C = C5 = C obtiene e

b) es K=2 e R1= C3 = C5 = 1 obtiene el ed

 

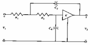
8) Sallen y llave pasar-alta:

De la igualdad y de recordar los valores encuentra a usted para N31 , N32 , N33 que se encuentra que 1 = sC1, 2Y = 2G debeser Y, 3Y 3 =sC , 4Y= 4G , 5Y = Y6 = 0, obtiene

Para tal contorno algunos criterios del plan son siguientes:

a) es R2 = R4 = R Comunidad Europea1 = C3 = C obtiene .

b) el sia K=1 , , C1= C, R2= R obtiene e

c) sia K=2 Comunidad Europea1 = C3 = C, ottiene e

 

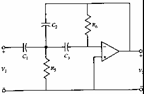
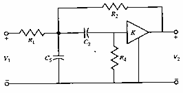
9) filtro general al aumento infinito con el solo amplificador:

La red pasiva en figura se caracteriza de las ecuaciones en las cuales para la presencia del operazionalesi del amplificador tiene V3 = 0, se puede eliminar 2 la ecuacin en cunto Zfuerade = 0, siendo por otra parte3 = 0 obtiene eso para la realizacin

en figura es a reducida .

 

10) pasar-bajo Infinito-gana:

De la igualdad uno deduce que hasta los denominadores 1 = Gdebe ser Y1 e Y3 = G3 mientras que para los denominadores Y2 = G2 , Y5 = sC5 , Y6 = sC6 se alcanza por lo tanto las ecuaciones .

Un criterio del plan consiste en la colocacin de C5 = C Comunidad Europea6 = con de la buja mtrica , obtiene .

Bosquejo de un filtro ideal para las realizaciones a Q elevado en cunto introduce una sensibilidad de Q con respecto a las variaciones de los parmetros siempre inferiores a 1.

11) Infinito-gana el pass-band:

Del silicio de la igualdad tiene eso el poner de Y1= G1 , Y3 = sC3 , Y2= sC2 , Y5= G5 e Y6= G6

Un criterio posible del plan consiste en el porre C2= C3= C, ottiene .

 

12) pasar-alto Infinito-gana:

Del silicio de la igualdad tiene eso el poner de Y1= sC1,

Y2 = sC2 , Y3= sC3 , Y5= G5 e Y6= G6

Un criterio posible del plan consiste en porre la C1 = C3 = C, se obtiene:

.

 

 

 

 

13) criterios del plan para los filtros en cascada de la mayor orden de 2:

Si un filtro con orden desigual debe ser observado que la seccin de 1 la orden constituida de un RC o de un CR va correo al principio de la cascada y continuacin de un pursuer de la tensin, las secciones restantes de 2 la orden van ordenado con el aumento de Q.