Sitio Visitado 512503 vueltas Pagina Visitada 116 vueltas Usted esta en : Etantonio/ES/Universita/4anno/TeoriaCircuiti/     

Filtro 4.5kHz de Passabasso del plan de la relacin

El actual plan, consistiendo en la realizacin de un filtro pasar-bajo con la frecuencia del corte a 4.5kHz se convierte en parte ante el interior de un plan del immenser que se proponga para realizar que un monochannel del receptor centrado en tener canal RAI a 1332kHz una anchura de banda bilateral de 9kHz. la arquitectura de tal receptor es el mucho simple :


se basa principalmente en el filtro de la renta, que debe ser de calidad ptima en cunto debe seleccionar solamente el canal exigido y atenuar 60dB los canales adyacentes por lo menos. El esfuerzo exigido del progettuale de su realizacin viene compensado en los trminos del circuita semplicit los, en hecho vien menos la necesidad que un oscilador local y del mezclador dej solamente del pass-band ollowing a la frecuencia intermedia que caracteriza el superheterodino del contorno de la recepcin.

Una metodologa del Fondo-Para arriba se prefiere para hacer frente al problema en segundo lugar , vale para decir antes de realizar el filtro ms simple y posteriormente al paso que el ms complejo, el filtro ms complejo es naturalmente el pass-band en de cunto centrada en una mayor frecuencia 300 mide el tiempo con respecto el pasar-bajo, que exige los amplificadores operacionales con funcionamientos mejores dejan la atencin sola a las conexiones indeseadas eventual.

En la actual relacin que vendrn le ilustra los principios siguientes que han llevado a la realizacin del filtro pasar-bajo a 4,5kHz con particular atencin a aspectos:

)       a la opcin de la orden

b)       opcin de la aproximacin

c)       opcin de la arquitectura

d)       criterios de la seleccin de los miembros

entonces seguir un trattazione de la sntesis matemtica, de la simulacin a la computadora y de las pruebas las experimenta.


) a la opcin de la orden

Hay exacto especfico con respecto de las caractersticas de este filtro, estn en la funcin del hecho de las caractersticas del detector de la vlvula de diodo, planendola y realizado preventivo le no es posible establecer la orden del filtro, no obstante hay muchos factores que empujan hacia la seleccin de 4 la orden, entre stos:

)       compatibilidad con las modalidades de la examinacin

b)       un Tiempo-a-examen ms pequeo vale para decir que el filtro est planeado y la mayor orden es verdad venido fsicamente en un rato ms pequeo en cunto exige a pequeos miembros con respecto tener a filtros

c)       en verdad el mismo altavoz se comporta como un filtro pasar-bajo

b) opcin de la aproximacin

Hasta la aproximacin se opta por las funciones de Chebyshev adentro por lo que la paridad de la orden introduce un mayor ripidit en la proximidad de la frecuencia del corte incluso si entonces en una distancia iguales la cuesta es la misma para cualquiera utiliz la aproximacin que es di n*20dB/decade donde est la orden n l del filtro. La aproximacin por medio de funciones de Chebyshev ve de antemano pero una ondulacin en pasar la venda, viene sistema hasta el valor mximo de 0,5dB.

c) opcin de la arquitectura

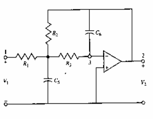
En el ptico para disminuir siempre el Tiempo-a-examen se ha optado por una arquitectura de Infinito-gana mecanografa adentro cunto exige solamente dos unos operacionales para realizar 4 una orden por el contrario de las arquitecturas de Remolcar-Thomas y KHN que en lugar de otro exijan 6 amplificadores operacionales con aumentos pesados en trminos de costes y los tiempos incluso si obtenga mayores funcionamientos en trminos de la sensibilidad a la variacin de los parmetros. Apenas la sensibilidad por otra parte ha representado el criterio basado en cul se ha desechado la arquitectura Sallen y la llave que funcionamientos en tal sentido son decididamente inferior a los de Infinito-gana el filtro.


En la base las anteriores elegidas haciendo uso la pgina la tabla situada 2.2-3a 47 del libro y del diseo anlogo activo pasivo del filtro de P.Huelsman ha adoptado una posicin la funcin estandardizada de la transferencia exigida, el dopodich por medio del software Mathematica 5 del paquete ha aplicado a l el denormalizzazione de la frecuencia, y por lo tanto hace que el fattorizzata en el producto de dos funciones de la transferencia de 2 posea el ciascuna di.le de la orden que caracteriza del Q y del Wn en la base de la cual los miembros de pasar-bajo Infinito-gane se eligen de quin contorno es siguiente:

l est s mismo a este punto simulado a la computadora por medio del ver del software PSPICE. 8 el comportamiento del circuito constituido de los dos bloques de 2 los correos de la orden en la cascada que valores de los miembros han estado apenas se determinan a usted, para semplicit se han elegido una obra clsica operacional del amplificador, el TL081, siendo caracterizado de funcionamientos excepcionales en trminos de pasar la venda que tiene que tambin no sido suficiente revelado para este plan, en detalle entonces se ha preferido a la versin integrada de dos amplificadores operacionales provistos del circuito integrado TL082 en cunto vendr el circuito realizado en millefori del sideburn y por lo tanto convoca para facilitar las soldaduras para tener las distancias de los miembros a usted en medio ellas bastantes.

El circuito viene fed con una alimentacin del duale ±de 10V.

Viene ms adelante en demostrado el contorno del circuito obtenido en cul a la puntera para maximizar la gama dinmica de ella que pueden ser escapes a usted, lo marcan las secciones de 2 que la orden se ha pedido de izquierda hacia la derecha en la orden de aumentar Q, viene por otra parte provei el resultado de la simulacin est en trminos por supuesto en la poca de las tensiones del escape y de la renta que la respuesta en el dominio de la frecuencia en la cual se ha evidenciado la ondulacin de aproximadamente 0.5dB en pasar la venda.

El resultado de la simulacin con la ESPECIA est contestando a los funcionamientos exigidos, es hora necesaria pero determinarse de los valores los negocia para todos los miembros , a tal puntera para tener un mayor control en los efectos del error introducido, viene en la continuacin calcula la sensibilidad del mdulo de la funcin de la transferencia a la variacin de cada miembro, viene en detalle calculaba la expresin de la sensibilidad, viene algn graficato el curso en la funcin de la frecuencia y viene algunos calculaba el valor en la correspondencia de la frecuencia del corte.

De los diagramas en detalle las observaciones siguientes pueden ser deducidas :

)       la sensibilidad es mximo en la proximidad de la frecuencia del corte para todos los miembros a menos que R2B para el cual la sensibilidad sea mxima y unitaria en el origen en orden entonces casi cancelarse cerca de la frecuencia del corte.

b)       el valor del pico de la sensibilidad es inferior a 1 en mdulo en la venda del inters para la mayor parte de los miembros, para R2A vale a solas aproximadamente 2 mientras que para C5A, R3B y C6B lo avanzan poco a 1

c)       la sensibilidad para algunos miembros asume valor positivo mientras que para otras asume la negativa del valor.

El resultado de estos elaborations se trae detrs en el siguiente de las 14 hojas obtenidas usando Mathemathica 5.


Se procede por lo tanto a la localizacin de valores los negocia para las resistencias, a tal referencia de las marcas de la puntera al siguiente

tabla

Para los medios de que y llevar a cabo la cuenta de la sensibilidad que se alcanza la adaptacin siguiente, l se ha obtenido por medio de verificaciones repetidas en el resultado de las solas aproximaciones, en detalle en el caso de R3A, siendo reperibile un valor no las negocia adecuadamente despus, ha llegado a ser necesario para poner en serie al valor 820 la negocia despus que esW a la segunda resistencia a partir del 56W en cunto en su ausencia tena un scostamento excesivo de la frecuencia del corte con respecto al valor deseado. Las resistencias se han elegido con una tolerancia de el 5% y para las energas mximas de 0,25W.

Miembro

Necessario del valor (w)

El valor las negocia 1 (w)

El valor los negocia 2 (w)

R1A

757

750

 

R2A

1230

1200

 

R3A

878

820

56

R1B

2418

2400

 

R2B

3928

3900

 

R3B

8205

8200

 

Teniendo desafortunadamente de un multmetro y de miembros numerosos con el mismo valor nominal, se ha credo para aumentar la calidad del filtro que iba a seleccionar a los miembros que ms acercaron a las demandas de los valores, en tal operacin que somos ellos mismos shrewed de tolerancias muy avanzadas hasta el 5% para muchos valores de resistencias, por lo tanto ha sido montaje en el circuito los valores siguientes a usted:

Miembro

Necessario del valor (w)

Valor verdadero 1 (w)

Valor verdadero 2 (w)

R1A

757

750

 

R2A

1230

1212

 

R3A

878

818

60

R1B

2418

1270

1163

R2B

3928

3830

 

R3B

8205

8200

 

En el R1B encajnenos que ha tenido que pulsar contra el incuria del minorista que se ha olvidado de proveer las resistencias a partir del 2400W que por lo tanto se han obtenido que ponan alguno en las series dos del valor nominal de W1200 oportunamente seleccionado. Para estos miembros venga ilustr el resultado de la ESPECIA del con de la simulacin.


Con la comodidad de la simulacin que se procede al montaje del circuito, mientras que afirmado ya el implementazione se elige en millefori del sideburn en cunto introduce decididamente un Tiempo-a-examen inferior con respecto a la realizacin del circult impreso para de el cual de resto los equipos no estn disponibles del material de la consumicin. El tablero para cortar el pan del resto l resulta inaffidabile R-con respeto a la eficacia de las conexiones y el confusionaria por lo tanto viene desechado como solucin incluso si habra demostrado el senz ' el otro ms rpido.

Para evitar choques termales integrados en el curso de las soldaduras y para concurrir de la substitucin o del dinero rpida que lava plancha, vienen montaje a usted en el enganche, fechas por otra parte las frecuencias en juego y el uso, los condensadores viene elegido de tipo de cermica.

Las conexiones, laddove posible, venidas realizado por medio de final los de los miembros, porque distancias avanzadas se vuelven a efectuar a un cable de la conexin del tipo usado para el tablero para cortar el pan.

Para los medios de l los acaba de resistencias entonces se han observado en los interfaces del sideburn 5 con el mundo externo :

) V para conectar el al 10V de la fuente local de p0wer

b) V para conectar el al - 10V de la fuente local de p0wer

c) Tierra para conectar el allo 0V de la fuente local de p0wer

d) Vin a conectar est al generador del sinusoidale que al canal del osciloscopio

d) Vout a conectar con el canal de B del osciloscopio

El circuito observado por lo tanto viene entonces probado por medio del banco siguiente de la medida:

Le resulta de las medidas es entonces introduce a usted est en forma al tabellare que grfico, en el detalle para cada frecuencia que ella viene provisto es el pico-pico de la tensin de marcas ellas del escape que el aumento en el DB.

Tambin los diagramas estn disponibles estn en voltio que DB y con un palmo de 5kHz y de 45kHz.

De los exmenes los experimenta desume un empeoramiento substancial de los funcionamientos con respecto cunto haba sido obtenido durante la simulacin, l se tiene en hecho de que la frecuencia del corte ha sido leggermente movido ms bajo y que la ondulacin en pasar la venda est de aproximadamente 1,5dB sin embargo que relevamos el error los experimenta que el senz ' otro se ha ocurrido en el curso de las medidas y tiene por lo menos en la competicin pura de la parte a esta deterioracin como los miembros pueden haber aguantado de los choques termales en el curso de la asamblea.