Sitio Visitado 510698 vueltas Pagina Visitada 287 vueltas Usted esta en : Etantonio/ES/Universita/4anno/TeoriaCircuiti/     

Filtros activos RC con ms amplificadores

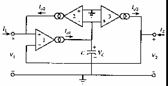
1) Filtro KHN:

Dejando de un pass-band caracterstico genrico de 2 el dividendo de la orden para y el uguagliando en medio los numeradores y los denominadores 2 ecuaciones se obtienen que antitransformed sean e que corresponde el circuito

 

Uno que es realizacin

Algunos criterios del plan son:

) 1 =C es C2 = C ed R3 = R5 = R6 , calcola , y mentre .

b) 1 =C 2 =C es C, obtiene , e e .

Ambos los planes introducen una sensibilidad ms pequea de 1 por lo tanto una ptimo, para notar que el pass-band del escape est invirtiendo.

 

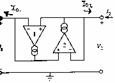
2) Filtro De Remolcar-Thomas:

Se obtiene que aplica una regeneracin del rigenerativa a un oscilador RC

 

Una realizacin posible del circuita ellos es

Para el plan 3 =R sonR2 = R y C1 = C2 = C, hallazgos elegidos de C , e o . Entonces notar que el circuito no provee uno sali de pasar-alto.

 

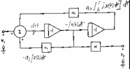
3) filtro mltiple biquadratic del amplificador:

Realiza que viene la funcin de la transferencia verdad s mismo agregando los escapes del filtro KHN por medio de un cuarto amplificador operacional que recuerda pero ese punto de ebullicin del escapeV es invertido y por lo tanto debe ser aplicado al clip que invierte de este sommatore.

La expresin del escape V2 es mucho compleja, para simplificarlo pone e , obtiene , , si en lugar de otro el clip izquierdo de R 10 est conectado con la masa se obtiene del zeri en el eje jW que esas demandas de las aproximaciones elpticas y Chebyshev-inversos, en tal caso tienen , .

.

 

4) filtro activo universal:

El bosquejo de un filtro modificado KHN de modo que los escapes LP, punto de ebullicin, HP sean el invertir disponible y y no se puede tambin elegir 0H que la modificacin consiste solamente en la introduccin del resistori 7R y 8R:

Para el inBde V se obtiene = 0 la configuracin que no invierte para la cual un mtodo del plan consiste en la colocacin de C1 = C2 = 1nF R4 = R5 = 100kW, R6 = 10kW , R8 = , obtiene el mentre los valores de 3R y R7 son funcin de la realizacin LP, punto de ebullicin, HP para Vel inA = 0 obtiene la configuracin que invierte para la cual un mtodo del plan consiste en la colocacin de C1 = C2 = 1nF R4 = R5 = 100kW, R6 = 10kW , R8 = , obtiene mientras que los valores de R8 y de R7 son funcin de la realizacin LP, punto de ebullicin, HP.

 

 

 

 

 

 

 

 

5) modelos para OTA:

Ideal:

El bosquejo de un VCIS para con el cual la corriente del escape est , la tiesura de la renta es infinito y aqul del escape es nulo.

Verdadero:

las capacidades estn de la orden del pF, las resistencias de la renta los 0.5MW y la resistencia del escape los 50MW la mayor limitacin reside en la amplitud de marcas ellas de la renta esa PU para estar al mximo 30mVpp

 

 

 

 

 

 

6) Resistore observado con OTA:

Pueden ser observados en resistori integrado de la forma del alto valor estn hacia masa

para se tiene qu flotacin y por lo tanto eso

para cul si se tieneg m1 =g m2 =g m .

7) Sommatore OTA:

Para agregar de las corrientes bastantes un nodo, la suma actual entonces cruza un resistore siempre observado con OTA y la suma pesada de las rentas del circuito se obtiene que es.

 

 

 

 

 

 

 

 

8) Integradores OTA:

Un integrador con renta se puede observar los distingue

para qu similares puros realiz un integrador con la prdida que insertaba en paralelo al condensador un resistore con OTA.

 

 

9) Inductancia OTA:

Este circuito introduce un proporziona de la tiesura de la renta inverso ellos a la tiesura de datos cargados, en el caso que esto es un condensador obtiene por lo tanto el comportamiento de una inductancia.

En el caso que es necesario un inductor flotante se adopta en lugar de otro el contorno:

eso para gm1 = gm2 = gm3 = inductanciade g m del valor simula uno.