Sitio Visitado 510708 vueltas Pagina Visitada 119 vueltas Usted esta en : Etantonio/ES/Universita/4anno/TeoriaCircuiti/     

Mtodos para la realizacin directa

1) ecuaciones que describen los parmetros de la transmisin:

 

2) GIC:

(Convertidor Generalizado De la Impedancia)

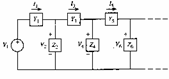
El bosquejo de un circuito que concurra realizar por medio de varios tipos activos de los miembros RC de miembros se pasa usted, algo de quien lo origina. El circuito es el seguente:

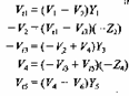
Se obtiene aprovecharse del hecho de que la diferencia potencial ellos a los clips de la renta de la operacional l es 0 y eso las mismas no absorbe la corriente, la matriz de la transmisin .

 

3) GINEBRA y su tiesura de la renta:

(Red Generalizada De la Impedancia)

Se obtiene que acaba el GIC con una tiesura Z5(s), obtiene una tiesura de la renta que expres en trminos de la entrada sea . Por medio de oportuno elegido de los stiffnesses pueden ser simulados son las inductancias que los nuevos miembros le pasan.

 

4) realizacin de inductancias por medio de la GINEBRA:

Se utiliza Una GINEBRA en la cual todos los stiffnesses estn de las resistencias excepto Z4 que sea una capacidad, siguen alguno que la tiesura de la renta est de tipo inductivo , usar los amplificadores operacionales del tipo emparej los efectos de sus parmetros no ideales que vienen disminuyen sin embargo la inductancia observada a usted utilizan a miembros activos y por lo tanto necesita de una conexin hacia masa que concurra algunos la utilizo solamente en los filtros pasar-altos donde las inductancias se ponen seccionado transversalmente. La sensibilidad a los elementos de la GINEBRA es ±las vueltas 1 la sensibilidad al inductor simulado.

5) FDNR:

Es un elemento que introduce una entrada de la renta a donde est un positivo D verdadero constante esa medida en Faradio-acordar. La razn del nombre es el substituir obtenido s = jW , Y(j w)=- W 2Dse tieneen hecho por lo tanto una entrada y un empleado negativos de la frecuencia. Recordar que la entrada de la renta de la GINEBRA es un FDNR que elige Y 1 puede ser observada y Ylos 5 como admittances de condensadores restantes y admittances son conductances, obtienen . El FDNR puede ser solamente uso usted en la realizacin de los filtros pasar-bajos y el pass-band en el hecho que aplica la transformacin de Bruton RLC " CRD que consiste en un denormalizzazione de la tiesura con se tiene que la serie de las inductancias venir transform en los conductances y la desviacin de los condensadores en FDNR. Por otra parte para concurrir una distancia hacia masa con la continua, los condensadores vienen bypassati de resistencias oportunas. La realizacin del pass-band con FDNR es ms compleja en cunto es mejor no es flotacin, obvias al problema usndose la cascada de un GIC, de una GINEBRA con la tiesura Z(s) = s2D y de otro GIC.

6) salto:

La tcnica alterna no se toma el cuidado para simular el comportamiento de los pasos de algunos elementos a usted sino que simula por medio de las tensiones es la serie de las corrientes que la desviacin de las tensiones de una red pasiva de la escala

A cul podemos asociar el equazioni y por lo tanto el diagrama a los bloques


Por lo tanto comenzar de la red simplemente o doble cargada RLC obtuvo a travs de las tablas que se caracterizan los varios bloques y viene verdad ellas por medio de los integradores es simple que con las prdidas sumarias, investers y.

En el caso desea venir verdad un pass-band, los bloques a simular estn del tipo RLC o el LC por lo tanto puede estar realiza con uno cualquiera a usted de los circuitos que realizan funciones de 2 la orden, adaptado es el Remolcar-Thomas en cunto est disponible el pass-band del escape est invirtiendo eso no. En cualquier caso se obtienen de la sensibilidad al lado de las del circuito pasivo de la salida.

 

7) filtros a la capacidad del commutata:

En los circuitos integrados las resistencias del alto valor ocupan el espacio muy, pueden ser observadas en mucho poco espacio y con ms precisin usando un commutata de la capacidad segn el contorno siguiente

Para cul con j1 2 altos yfondo de j se tiene

mientras que con j2 alto y basso2 de j 1Q = 0 por lo tanto .

Un resistore puede ser negativa obtenida que usa una varia configuracin de se hace del reloj

se tiene en hecho.

Las resistencias observadas por lo tanto se pueden utilizar para realizar invertir los integradores, no invirtiendo y con prdidas deje los filtros solos Remolcar-Thomas y el salto, una frecuencia del doble del reloj por lo menos se debe en cualquier caso utilizar con respecto a la frecuencia mxima presente en marcas ellas de la renta, en ottemperanza al criterio de Nyquist, en prctico l es por lo menos 100 veces mayor. Utilizo de los 4 que el MOSFET por otra parte concurre disminuir el efecto de las capacidades parsitas las mismas cuando los condensadores de la orden del pF se desean para ser utilizados con la puntera para ahorrar el espacio en el circuito integrado.