Sitio Visitado 508110 vueltas Pagina Visitada 15 vueltas Usted esta en : Etantonio/ES/Universita/4anno/ComunicazioniElettriche/     

Recepcin en presencia del ruido

Numerica de la recepcin en presencia del ruido

1) caractersticas de la recepcin numrica en presencia del ruido:

Suponemos que un canal numrico verdadero es afecto de AWGN, l podemos ser representados en una base de los pagadores a que la base a los pagadores de n contiene en cul se representa el proceso til. El ruido nr(t) representado en los primeros pagadores de N contiene la informacin restante sobre el proceso mientras quenel (t) representada en - los pagadores de N son independientes son del proceso til que de nr(t), l viene el ruido llamado insignificante y descuidado en el trattazione restante. El ruido se representa por lo tanto en el espacio de marcas ellas del portador donde la nj ellos tiene densidad de la probabilidad de 1 la orden, anlogo l marca las recibi que rr(t) se describe del portador observable con eso l es v.a. continuos en cunto suma de un v.a. discreto y de un v.a. contina.

 

2) desmodulacin y decisin en presencia del ruido:

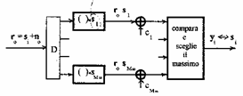
Se supone que que la modulacin numrica ha estado careciendo adentro codifica y con una transformacin series-parallel, ha asociado a cada elemento de la constelacin una palabra binaria al pedacito. El contorno del demodulatore numrico es:

al escape del banco del correlatori que son los miembros r j del portador observable r 0 tienen ellos mismos que para va del ruido no coincide sin el portador de la constelacin, tienen ellos mismos en hecho de que la probabilidad recibiruna vez r j que ha sido semitido d y el ser el independentde n j se tiene estadstico .

Un decisore es por lo tanto necesario que aplicando un criterio de decisin asocia r0 a uno de los portadores de la constelacin.

 

3) criterios de la decisin:

MAPA del CRITERIO (probabilidad del mximo a posteriori)


Para cada portador sd que puede ser emitido del modulador que calcula el dopodich condicionado de la probabilidad elige el portador sj si cada para
el j, de l resulta que la probabilidad de la decisin incorrecta es mnima y por lo tanto el criterio es ptimo. En clase no son las notas mientras que en lugar de otro son las de entonces aplicando el teorema a l de Bayes tienen por lo tanto observacin de que el solo numerador es funcin de obtiene un alternativa de la formulacin del segundo MAPA del criterio que es s elegidoj si cada para el j entonces que recuerda que se alcanza 3 la formulacin del segundo MAPA del criterio que elige sj si cada para el j que en cortocircuito implica la subdivisin del espacio de marcas que en regiones de la decisin pesaron con la probabilidad de la emisin de cada portador de la constelacin. De esta ltima formulacin del MAPA del criterio muestre que est verificado si se tiene el mximo de la funcin vectorial con por lo tanto tiene el contorno alternativo siguiente del demodulatore numrico con el decisore.

CRITERIO MILILITER (toda probabilidad = verosimiglianza mximo)

Es un subottimo del criterio segn el cual cada para es s elegido j si j que banally corresponda la segunda formulacin el alternativa que elige sj si cada para el j que es elige el portador sj de la constelacin que ms cercano resulta ser a r0 . En este caso que est ausente las probabilidades de la emisin de los solos portadores, las regiones de la decisin tienen toda la misma rea.

 

4) probabilidad de la decisin correcta e incorrecta:

Recordar que los criterios de decisin no hacen otro que para asociar a cada portador de la constelacin una regin de la decisin, siga alguno que la probabilidad de la decisin corregida condicionada al portador publicado sd sea el integral en de la reginasociada d a s dde D , tiene que es mientras que es la probabilidad de la decisin corregida y la probabilidad del error Py = 1-PC finalmente la probabilidad del error de Py es la probabilidad que es incorrecto un pedacito y es la funcin de codifica de la modulacin usada, como ejemplo en el caso de la modulacin del antipodale .


Estima linear de marcas ellas continuas

5) caractersticas de la estima continua:

El proceso recibido es la suma de un proceso til inmvil o del ciclostazionario con el s(t) continuo medio nulo de la realizacin al valor y a la densidad espectral P(f) famoso que una energa de P(f) corresponde, y de un aadido gaussian del ruido con el n(t) medio estadstico nulo de la realizacin al valor y a la densidad espectral N(f), el comenzar de r(t) que el tasador provee una estima continua linear del solo s(t) til abarcado en r(t), el vendedor de la parte de almacn del error de la estima es . Por un momento t de los datoslos funcionamientos 0 del tasador son funcin del s(t) = de s y vienen caracterizado con la polarizacin condicionada , la variacin condicionada del error y que esper los valores condicionados error cuadrtico medio son respectivos la polarizacin, la variacin del error y el medio cuadrtico del error . Un adimensional que el indicador relativo llamado la calidad de la estima continua tiene s mismo por otra parte eso en cortocircuito es un faro-ruido de Relazioneship.

 

6) caractersticas de los tasadores LTI:

El tasador debe introducir necesariamente la distorsin en cmo mucho debe favorecer el trnsito de los miembros espectrales del r(t) para quienes l los marca tiles prevalece en el ruido y la molestia en lugar de otro del trnsito de los miembros para quienes el ruido prevalece en marcas ellas. Admitiendo la sola distorsin linear de la amplitud el contorno siguiente es equivalente tenido para el tasador a que evidencia mientras que es la estima continua se compone a partir de 4 sumandos

donde estn el n(t) yny (t) ellos disturbe mientras que sy(t) es un disturbio si .

Uno encuentra que las caractersticas del sono del tasador , , siendo Py la energa del disturbio debido a la distorsin linear de la amplitud, la energa del solo ruido en escape y la energa del proceso de la estima LTI. Se observa que la optimizacin de la calidad de la estima es invariante con respecto a la presencia de un factor constante en la funcin empleada de la transferencia, este resultado viene empleado para el ricondursi siempre al detalle del caso del hombre blanco aditivo gaussian del ruido por medio de un sbiancatore para poner en frente al tasador y a un sbiancatore complementarios al postplace.

15) Tipologie de los tasadores LTI:

Tasador linear ptimo de la Salchicha de Francfort-Hopf

Se maximiza disminuir la calidad de la estima, tal optimizacin se realiza del filtro de la Salchicha de Francfort-Hopf con , antitransforming encuentra una respuesta impulsiva verdadera y el igual por lo tanto antimotive por lo tanto el quadripolo no es fsicamente realizable, entonces utiliza un filtro que respuesta impulsiva aproxime que uno de la Salchicha de Francfort-Hopf por t > 0 pero l es nulo para t < 0.

Tasador linear con el corte ptimo de la venda

Consideramos para semplicit a hombre blanco del ruido con la densidad espectral N0 , el tasador linear con el corte ptimo de la venda tiene funcin de la transferencia rectangular que vale gt0 para las frecuencias abarcadas entre f1 y f2 para las cuales el proceso til prevalezca en el ruido y valga a otra parte en lugar de otro 0. La calidad que resulta alguno est y se maximiza para el filtro fsicamente realizable introduce una atenuacin de 6dB a las frecuencias del corte y determina un mayor faro-ruido de Relazioneship con respecto a eso que sera tenido con el filtro rectangular.

Tasador linear no polarizado

Si tenemos un proceso recibido con la parte til limitada de cerca en la venda = la f M" f mde B, podemos reducir la generacin pero la distorsin del ruido usando un filtro con la venda B12 < B.

Si el alcance es en lugar de otro reducir la distorsin, el tasador debe ser polarizado que es no tiene que ser un filtro con las frecuencias del corte que coinciden con los extremos de la venda til, en tal caso en hecho que la calidad de la estima viene coincidir con el faro-ruido de Relazioneship al escape de Q.

Tal tasador es famoso tambin en la ausencia del conocido de la densidad espectral de la energa til y su calidad se gana inmediatamente, por lo tanto se prefiere a los otros tasadores tambin porque al crecimiento de la calidad de la estima, resulta a usted diferencia poco.