Sito Visitato 508113 volte Pagina Visitata 34 volte Sei in : Etantonio/EN/Universita/MasterSatellitare/ELS/     

Introduzione ai segnali

1) Segnale :

Si tratta di una funzione (. solitamente del tempo) che rappresenta la legge di variazione di una grandezza fisica.

 

2) Schema di un sistema di telecomunicazione :

3) Schema di un sistema di elaborazione numerica dei segnali :

4) Classificazione dei segnali :

5) Energia di un segnale continuo x(t) :

Il segnale è detto di energia se   ed   .

 

6) Potenza media di un segnale continuo x(t) :

Il segnale è detto di potenza se   e  .

 

7) Energia e potenza di un segnale periodico :

L'energia di un segnale periodico è infinita mentre la potenza media coincide con quella calcolata in un periodo :

 

8) Considerazioni su segnali ad energia finita e segnali a potenza finita :

Se un segnale è ad energia finita allora la sua potenza media è nulla mentre se un segnale ha potenza media finita allora la sua energia è infinita.

 

9) Componente continua di un segnale a potenza finita :

10) Dinamica di un segnale :

E' il rapporto espresso in dB tra la massima e la minima ampiezza del segnale.

 

11) Tipologie di trasformazioni dei segnali :

  • Con memoria ( l'uscita y(t) dipende anche dai valori precedenti di x(t) oltre che dal valore attuale )
  • Senza Memoria

12) Sistema completo di elaborazione del segnale :

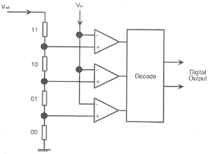
13) Schema ADC Flash :

14) DAC con generatori di corrente :

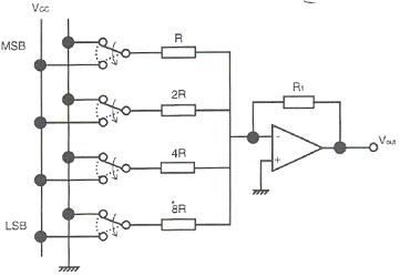
15) DAC con generatori di tensione :

16) Principali vantaggi dei sistemi con DSP :

  • Programmabilità
  • Stabilità
  • Ripetibilità
  • Compressione dei dati
  • Ridotta sensibilità al rumore