Site Visited 512549 times Page Visited 36 times You are in : Etantonio/EN/Universita/4anno/TeoriaCircuiti/     

Active filters RC with a single amplifier

1) Comparison between the active filters and the filters passes to you:

The active filters are lighter and demand little space regarding the filters pass to you, moreover they can be realizes to you in integrated shape that of it it concurs the production in mass and the cost reduction.

 

2) Philosophies of realization of the active filters:

Cascata the net function is fattorizzata in products of terms of 2° the order everyone of which is individually realized from an active circuit RC and place in cascade to the others.

Diretta the net function comes completely realized from an only circuit

 

3) VCVS:

It is a source of tension controlled in tension, ideally has characteristic following:

to)       infinite stiffness of income

b)       stiffness of null escape

c)       escape tension linearly proporziona them through a gain to the income tension

In the VCVS it realizes with operational amplifiers the income stiffness to you is of some MW while the escape stiffness is smaller of 100W .

 

4) Configurations for a used operational amplifier like VCVS:

Invertente marks is applied them through the resistance R1 to the inverting clip to which it reaches also marks them of escape through the resistance R2 , the positive clip is to mass and therefore the gain turns out to be .

Invertente does not mark is applied them to the positive clip while to the clip negative it is connected towards mass the R resistancethe 1 and resistance of feedback R2 , the gain turns out to be .

Inseguitore is an not inverting amplifier in which R2 = 0 that 1 implies K=1ossia V 2=V.

 

5) general amplifier Filter single:

The passive net in figure is characterized from the equations in which for the presence of the VCVS can be replaced and to eliminate 2ª the equation in how much Zout= 0, being been moreover3 = 0 obtains that for the realization

implica , , .


 

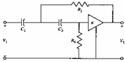
6) Sallen & pass-low Key:

From the equality and remembering the values it finds to you for N31 , N32 , N33 is observed that Y1 and Y3 Y conductances must be constant that is1 = G1 e 3Y = 3G moreover N32 must have one zero simple one in the origin therefore Y2= sC2 and Y6= 0 while N33 must be of the 2° order with real zeroes denied and therefore Y 4 =sC 4 is obtainedto you and Y5= 0, of it follows che

For such outline some criteria of plan are following:

a) is R1 = R3= R and also 2C = C4 = C obtains , ,

b) is K=1, , , R1 = R e C2 = C , obtains and

c) is K=2, C2 = C4 = C , obtains and

All and the 3 plans give place to sensibility directly proporziona them to Q that it is deleterious when better obtainable filters to high Q are wanted to be realized instead using relationships 1:10 that 1:1 between R1 and R3 or 2C and C4 .

 

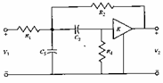
7) Sallen & Key pass-band:

From the equality and remembering the values it finds to you for N31 , N32 , N33 is observed that Y1 and Y3 must be one a condenser and the other a resistore, assumes Y1 = G1 e 3Y 3 =sC in order to satisfy the condition on N32 must be had 2Y= G2 and Y6= 0 while in order to satisfy that one on N33 we place 4Y = 4G and Y5= sC5 , ottiene .

For such outline some criteria of plan are following:

a) is R1 = R2 = R4 = R and also 3C = C5 = C obtains e

b) is K=2 e R1= C3 = C5 = 1 obtains ed

 

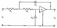
8) Sallen & pass-high Key:

From the equality and remembering the values it finds to you for N31 , N32 , N33 it is found that 1 = sC1, 2Y = 2G mustbe Y, 3Y 3 =sC , 4Y= 4G , 5Y = Y6 = 0, obtains

For such outline some criteria of plan are following:

a) is R2 = R4 = R e C1 = C3 = C obtains , , .

b) sia K=1, , , C1= C, R2= R obtains e

c) sia K=2 e C1 = C3 = C , ottiene e

 

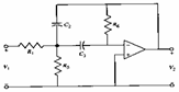
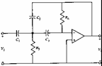
9) general Filter to infinite gain with single amplifier:

The passive net in figure is characterized from the equations in which for the operazionalesi presence of the amplifier has V3 = 0, can be eliminated 2ª the equation in how much Zout= 0, being moreover3 = 0 obtains that for the realization

in figure it is reduced a .

 

10) pass-low Infinite-gain:

From the equality one deduces that as far as the denominators 1 = Gmust be Y1 e Y3 = G3 while for the denominators Y2 = G2 , Y5 = sC5 , Y6 = sC6 is reached therefore the equations , , .

A plan criterion consists in placing C5 = C e C6 = mC con , obtains , , .

Draft of an ideal filter for the realizations to Q elevated in how much introduces one sensibility of Q regarding the variations of the parameters always inferior to 1.

11) Infinite-gain pass-band:

From the equality si it has that placing Y1= G1 , Y3 = sC3 , Y2= sC2 , Y5= G5 e Y6= G6

A possible criterion of plan consists in porre C2= C3= C , ottiene , , .

 

12) pass-high Infinite-gain:

From the equality si it has that placing Y1= sC1,

Y2 = sC2 , Y3= sC3 , Y5= G5 e Y6= G6

A possible criterion of plan consists in porre the C1 = C3 = C, is obtained:

, , .

 

 

 

 

13) Criteria of plan for filters in cascade of greater order of 2:

If a filter with uneven order must be realized the section of 1° the order constituted from a RC or CR goes mail to the beginning of the cascade and continuation from a tension pursuer, the remaining sections of 2° the order go ordered with increasing Q.