Site Visited 512468 times Page Visited 83 times You are in : Etantonio/EN/Universita/4anno/TeoriaCircuiti/     

Active filters RC with more amplifiers

1) Filter KHN:

Leaving from a generic characteristic pass-band of 2° the order dividend for and uguagliando between they the numerators and the denominators 2 equations are obtained whose antitransformed are e which the circuit corresponds

 

One whose realization is

Some criteria of plan are:

to) 1 =C is C2 = C ed R3 = R5 = R6 , calcola , and mentre .

b) 1 =C 2 =C is C, obtains , , e e , .

Both the plans introduce a smaller sensibility of 1 therefore optimal one, to notice that the escape pass-band is inverting.

 

2) Tow-Thomas Filter:

It is obtained applying one rigenerativa feedback to an oscillator RC

 

A possible circuita realization them is

For the plan 3 =R areR2 = R and C1 = C2 = C, chosen C finds , e or . To notice then that the circuit does not supply one exited pass-high.

 

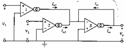
3) biquadratic multiple amplifier Filter:

It realizes the function of transfer comes true itself adding the escapes of filter KHN by means of a fourth operational amplifier remembering but that escape VBP is invert and therefore it must be applied to the inverting clip of this sommatore.

The expression of escape V2 is much complex, in order to simplify it places e , obtains , , , If instead the left clip of R 10 is connected to mass is obtained of the zeroes on the axis jw which those demands from the elliptic approximations and Chebyshev-inverse, in such case have , , , .

.

 

4) universal active Filter:

Draft of a modified filter KHN so that escapes LP, BP, HP are available inverting and and cannot also be chosen 0H the modification consists alone in the introduction of the resistori 7R and 8R:

For VinB = 0 the not inverting configuration is obtained for which a plan method consists in placing C1 = C2 = 1nF R4 = R5 = 100kW, R6 = 10kW , R8 = ¥, obtains mentre the values of 3R and R7 they are function of realization LP, BP, HP For VinA = 0 obtains the inverting configuration for which a plan method consists in placing C1 = C2 = 1nF R4 = R5 = 100kW, R6 = 10kW , R8 = ¥, obtains while the values of R8 and R7 is function of realization LP, BP, HP.

 

 

 

 

 

 

 

 

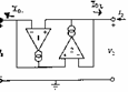
5) Models for OTA:

Ideal:

Draft of a VCIS for which the escape current is with , the income stiffness is infinite and that one of escape is null.

Real:

the abilities are of the order of the pF, the resistances of income 0.5MW and the resistance of escape 50MW the greater limitation resides in the amplitude of marks them of income that pu² to be to the maximum 30mVpp

 

 

 

 

 

 

6) Resistore realized with OTA:

They can be realized in integrated shape resistori of high value is towards mass

for which floating is had and therefore the that

for which if gm1 = gm2 = gm are had .

7) Sommatore OTA:

In order to add of the currents enough a node, the current sum then crosses an always realized resistore with OTA and the weighed sum of the incomes of the circuit is obtained that is.

 

 

 

 

 

 

 

 

8) Integrators OTA:

An integrator with income can be realized differentiates them

for which the like pure an integrator with loss inserting in parallel to the condenser a resistore realized with OTA.

 

 

9) Inductance OTA:

This circuit introduces an income stiffness inversely proporziona them to the stiffness of a loaded data, in the case this is a condenser obtains therefore the behavior of an inductance.

In the case it is necessary an floating inducer is adopted instead the outline:

that for gm1 = gm2 = gm3 = gm inductance of value simulates one.