Site Visited 511042 times Page Visited 383 times You are in : Etantonio/EN/Universita/4anno/TeoriaCircuiti/     

Methods for the direct realization

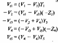
1) Equations that describe the transmission parameters:

 

2) GIC:

(Generalized Impedance Converter)

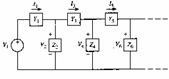
Draft of a circuit that concurs to realize by means of various active members RC types of members is passed to you, some of which originates them. The circuit is the seguente:

Taking advantage of the fact that the potential difference them to the clips of income of the operational one it is 0 and that from the same ones it does not absorb current, the matrix of transmission is obtained .

 

3) GIN and its stiffness of income:

(Generalized Impedance Network)

It is obtained finishing the GIC with a stiffness Z5(s), obtains a stiffness of income that expressed in terms of admittance is . By means of opportune chosen of the stiffnesses they can be simulated is inductances that new members pass to you.

 

4) Realization of inductances by means of GIN:

A GIN is used in which all the stiffnesses are of the resistances except Z4 that is an ability, follow some that the income stiffness is of inductive type , using operational amplifiers of type matched the effects of their not ideal parameters they come diminishes however the realized inductance to you uses active members and therefore it needs of a logon towards mass that it concurs some I only use it in the filters pass-high where the inductances are placed cross-sectionally. The sensibility to the elements of the GIN is ±1 turns the sensibility to the simulated inducer.

5) FDNR:

It is an element that introduces an admittance of income where D is one constant real positive that measure in Farad-according to. The reason of the name is obtained replacing s = jw , Y(j w)=- w 2Dis hadin fact therefore a negative admittance and employee from the frequency. Remembering that the admittance of income of the GIN is a FDNR choosing Y 1 can be realized and Ythe 5 like admittances of remaining condensers and admittances are conductances, obtain . The FDNR can be only use you in the realization of filters pass-low and pass-band in fact applying the transformation of Bruton RLC " CRD consisting in a denormalizzazione of stiffness with is had that the inductances series come transformed in conductances and the condensers shunt in FDNR. Moreover in order to concur a distance towards mass with the continuous one, the condensers come bypassati from opportune resistances. The realization of the pass-band with FDNR is more complex in how much is better is not floating, obvious to the problem using itself the cascade of a GIC, a GIN with stiffness Z(s) = s2D and an other GIC.

6) Leapfrog:

The Leapfrog technique is not taken care to simulate the behavior of some elements passes to you but it simulates by means of of the tensions is the currents series that the tensions shunt of one passive scale net

To which we can associate equazioni the and therefore the diagram to blocks


Therefore beginning from a simply or doubly loaded net RLC obtained through the tables the various blocks are characterized and it comes true them by means of integrators is simple that with summary losses, investers and.

In the case desires to come true a pass-band, the blocks to simulate are of type RLC or LC therefore can be realize with one whichever to you of the circuits that realize functions of 2° the order, the most adapted are the Tow-Thomas in how much the escape pass-band are available are inverting that not. In any case they are obtained of the sensibility next to those of the passive circuit of departure.

 

7) Filters to commutata ability:

In the integrated circuits the resistances of high value occupy space very, they can be realized in much little space and with more precision using one ability commutata according to the following outline

For which with j1 2 high andj bottom is had

while with j2 high and j1 basso 2Q = 0 therefore ž ž .

A resistore can be obtained negative using one various configuration of is made of the clock

is had in fact.

The realized resistances therefore can be used in order to realize inverting integrators, not inverting and with losses let alone filters Tow-Thomas and Leapfrog, a frequency of clock at least double must in any case be used regarding the maximum frequency present in marks them of income, in ottemperanza to the criterion of Nyquist, in practical it is at least 100 times greater. I use of the 4 MOSFET moreover concurs to diminish the effect of the parasitic abilities to the same ones when condensers of the order of the pF are wanted to be used with the aim to save space in the integrated circuit.