Aufstellungsort Besichtigt 510552 zeiten Seite Besucht 25 zeiten Sie sind hier : Etantonio/DE/Universita/4anno/TeoriaCircuiti/     

Aktive Filter RC mit einem einzelnen Verstärker

1) überschreitet Vergleich zwischen den aktiven Filtern und den Filtern Ihnen:

Die aktiven Filter sind heller und Nachfrage, die wenig Raum betreffend ist die Filter Ihnen führen, außerdem können sie sein verwirklichen zu Ihnen in integrierter Form, die von ihr sie die Produktion in der Masse und in der Kostenaufstellung übereinstimmt.

 

2) Philosophien der Realisierung der aktiven Filter:

Cascata die Nettofunktion ist fattorizzata in den Produkten von Bezeichnungen von 2° der Auftrag, von dem jeder einzeln von einer aktiven Schaltung RC und vom Platz in der Kaskade zu den anderen verwirklicht wird.

Diretta die Nettofunktion kommt vollständig verwirklicht von einem einzigen Stromkreis

 

3) VCVS:

Es ist eine Quelle der Spannung gesteuert in der Spannung, hat ideal Eigenschaft das Folgen:

)       zur endlosen Steifheit des Einkommens

B)       Steifheit des ungültigen Entweichens

c)       Entweichenspannung linear proporziona sie durch einen Gewinn zur Einkommenspannung

Im VCVS verwirklicht sie mit funktionsfähigen Verstärkern, welche die Einkommensteifheit zu Ihnen von irgendeinem M Wist, während die Entweichensteifheit von 100 W kleinerist .

 

4) mögen Konfigurationen für einen benutzten funktionsfähigen Verstärker VCVS:

Invertente Markierungen wird sie durch den Widerstand R 1 zu dem zum umkehrenden Clip es erreicht kennzeichnet sie auch des Entweichens durch den Widerstand R 2angewendet , soll der positive Clip sich ansammeln und folglich fällt der Gewinn aus zu sein .

Invertente kennzeichnet nicht wird zugetroffen ihnen auf den positiven Clip, während an das Clipnegativ es in Richtung zur Masse der R Widerstand das 1und Widerstand von Rückgespräch R 2 angeschlossenwird , der Gewinn ausfällt zu sein .

Inseguitore ist ein nicht umkehrender Verstärker in, welchem R2 = 0, daß 1 K=1 ossiaV 2 =Vandeutet.

 

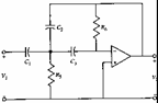
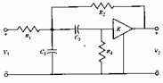
5) allgemeiner Verstärker Filter einzeln:

Das passive Netz in der Abbildung wird von den Gleichungen gekennzeichnet, in denen für das Vorhandensein des VCVS ersetzt werden und 2ª beseitigen kann die Gleichung in, wieviel Zaus= 0, seiend außerdem3 = 0 das für die Realisierung erreicht

implica .


 

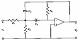
6) Sallen u. überschreiten-niedriger Schlüssel:

Von der Gleichheit und vom Erinnern an die Werte findet es zu Ihnen für N31 , N32 , wirdN 33 beobachtet, das Y1 und Y3 Y conductances konstant sein müssen, das 1= G 1e 3 Y= 3 ist, die,G außerdem N32 ein null einfaches im Ursprung Y 2 folglich habenmuß= Sc2 und Y6= 0, während N33 vom Auftrag 2° mit den realen verweigerten null sein muß und folglich Y 4 =Sc 4 zu Ihnenund zu Y 5 =0erhalten wird, von ihm folgt che

Für solche umreiß sind einige Kriterien des Planes folgend:

A) ist R1 = R3= R und 2 auchC = C4 = C erreicht ,

B) ist K=1 , , R1 = R EG2 = C, erreicht und

c) ist K=2, C2 = C4 = C, erreicht und

Alle und die 3 Pläne geben Platz Empfindlichkeit direkt zum proporziona sie zu Q, daß es gesundheitsschädlich ist, wenn bessere erreichbare Filter zu hohem Q werden verwirklicht werden gewünscht anstatt mit Verhältnissen 1:10 daß 1:1 zwischen R1 und R3 oder 2C und C4 .

 

7) Sallen u. Schlüsseldurchlaßbereich:

Von der Gleichheit und vom Erinnern an die Werte findet es zu Ihnen für N31 , N32 , wirdN 33 beobachtet, das Y1 und Y3 sein müssen eins ein Kondensator und das andere ein resistore, annimmt, daß Y1 = G1 e 3Y 3 =Sc , zwecks die Bedingung auf N 32zu erfüllen gehabt werden muß 2Y= G2 und Y6= 0, während, um dieses auf N 33zu erfüllen wir 4 Y= 4 Gund Y 5=Sc 5setzen , ottiene .

Für solche umreiß sind einige Kriterien des Planes folgend:

A) ist R1 = R2 = R4 = R und 3 auchC = C5 = C erhält e

B) ist K=2 e R1= C3 = C5 = 1 erreicht ED

 

8) Sallen u. überschreiten-hoher Schlüssel:

Von der Gleichheit und vom Erinnern an die Werte findet es zu Ihnen für N31 , N32 , N33, die es, daß 1 = Sc 1,2Y =2 G Ysein muß, 3 Y 3= Sc gefundenwird , 4Y= 4G , 5Y = erreichtY 6 = 0,

Für solche umreiß sind einige Kriterien des Planes folgend:

A) ist R2 = R4 = R EG1 = C3 = C erreicht .

B) erhält sia K=1 ,,C1 = C,R2 = R e

c) sia K=2 EG1 = C3 = C, ottiene e

 

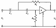
9) allgemeiner Filter zum endlosen Gewinn mit einzelnem Verstärker:

Das passive Netz in der Abbildung wird von den Gleichungen , in denen für das operazionalesi Vorhandensein des Verstärkers V 3 =0 hat, kann beseitigtes 2ª sein die Gleichung gekennzeichnet in, wieviel Zaus= 0, 3 =0 außerdem seiend das für die Realisierung erreicht

in der Abbildung ist es verringertes a .

 

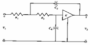
10) überschreiten-niedrig Endlos-gewinnen:

Von der Gleichheit leitet man ab, daß bis zu den Nennern 1 = GY 1 eY 3 seinmuß = G3 , während für die Nenner Y2 = G2 , Y5 = Sc5 , Y6 = Sc6 folglich die Gleichungen erreicht wird .

Ein Plankriterium besteht, wenn es C 5= C EG 6= Lux Betrüger setzt , erreicht .

Entwurf eines idealen Filters für die Realisierungen zu Q erhöht in, wieviel eine Empfindlichkeit von Q betreffend ist die Veränderungen der Parameter vorstellt, die bis 1 immer minderwertig sind.

11) Endlos-gewinnen Durchlaßbereich:

Vom Gleichheitsilikon hat es das, Y 1zu setzen= G1 , Y3 = Sc3 , Y2= Sc2 , Y5= G5 e Y6= G6

Ein mögliches Kriterium des Planes besteht in porre C2= C3= C, ottiene .

 

12) überschreiten-hoch Endlos-gewinnen:

Vom Gleichheitsilikon hat es das, Y 1zu setzen= Sc1,

Y2 = Sc2 , Y3= Sc3 , Y5= G5 e Y6= G6

Ein mögliches Kriterium des Planes besteht im porre das C1 = C3 = C, wird erreicht:

.

 

 

 

 

13) Kriterien des Planes für Filter in der Kaskade des grösseren Auftrages von 2:

Wenn ein Filter mit ungleichem Auftrag verwirklicht werden muß, daß der Abschnitt von 1°, das der Auftrag von einem RC festsetzte, oder CR Post zum Anfang der Kaskade und Fortsetzung von einem Spannung Verfolger geht, gehen die restlichen Abschnitte von 2° der Auftrag bestellt bei Zunahme Q.