Aufstellungsort Besichtigt 508154 zeiten Seite Besucht 31 zeiten Sie sind hier : Etantonio/DE/Universita/4anno/TeoriaCircuiti/     

Aktive Filter RC mit mehr Verstärkern

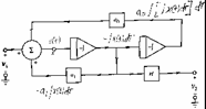
1) Filter KHN:

Von einem generischen charakteristischen Durchlaßbereich von 2° die Auftrag Dividende für und das uguagliando lassend zwischen, werden sie die Zähler und die Nenner 2 Gleichungen erreicht deren sind e antitransformed, das der Stromkreis entspricht

 

Ein dessen Realisierung ist

Einige Kriterien des Planes sind:

) ist 1= C C2 = C ED R3 = R5 = R6 , calcola und mentre .

B) ist 1= C 2= C C, erreicht , e e .

Beide Pläne stellen eine kleinere Empfindlichkeit von 1 folglich optimalem vor, um zu beachten daß der Entweichendurchlaßbereich umkehrt.

 

2) Schleppen-Thomas Filter:

Er wird ein rigenerativa Rückgespräch auf einen Oszillator RC zutreffend erreicht

 

Eine mögliche circuita Realisierung sie ist

Für den Plan 3 =sind RR2 = R und C1 = C2 = C, gewählte C Entdeckungen , e oder . Daß der Stromkreis ein dann nicht liefert zu beachten nahm überschreiten-hohes heraus.

 

3) biquadratic mehrfacher Verstärker Filter:

Er verwirklicht, daß die Funktion der Übertragung zutreffend selbst kommt, die Entweichen des Filters KHN mittels eines vierten funktionsfähigen Verstärkers hinzufügend, der sich erinnert, aber dieses Entweichen VBP umgewandelt ist und folglich es auf den umkehrenden Clip dieses sommatore zugetroffen werden muß.

Der Ausdruck von Entweichen V2 ist viel kompliziert, um ihn zu vereinfachen setzt e , erreicht , , wenn anstatt der linke Clip von R 10 an Masse wird erreicht von den null auf der Mittellinie J W, diejene Nachfragen von den elliptischen Näherungswerten und Chebyshev-umgekehrten, in solchem Fall haben, angeschlossen wird .

.

 

4) aktiver allgemeinhinfilter:

Entwurf eines geänderten Filters KHN, damit Entweichen Langspielplatte, BP, HP vorhandenes Umkehren sind und und kann nicht auch gewählt werden 0H, welches die Änderung alleine in der Einleitung des resistori 7 Rund 8 Rbesteht:

Für VinB = wird 0 die nicht umkehrende Konfiguration, für die eine Planmethode besteht, wenn sie C 1 =C 2 =1nF R 4 =R 5 =100k W setzt,R 6= 10k W, R 8= ¥ ,erreicht mentre die Werte von 3 Rerreicht und R7 sind sie Funktion von Realisierung Langspielplatte, BP, HP für InAV = 0 erhält die umkehrende Konfiguration, für die eine Planmethode besteht, wenn sie C 1= C 2= 1nF R 4= R 5= 100k Wsetzt, R6 = 10kW , R8 = ¥, erreicht, während die Werte von R8 und von R7 Funktion von Realisierung Langspielplatte, BP, HP ist.

 

 

 

 

 

 

 

 

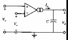
5) Modelle für OTA:

Ideal:

Entwurf eines VCIS, für das der Entweichenstrom ist mit , die Einkommensteifheit ist endlos und dieses des Entweichens ist ungültig.

Real:

die Fähigkeiten sind vom Auftrag des Leistungsfaktors, die Widerstände von Einkommen 0.5MW und der Widerstand von Entweichen 50MW die grössere Beschränkung liegt im Umfang der Markierungen sie des Einkommens dieses pu², um zum Maximum 30mV pp.zu sein

 

 

 

 

 

 

6) Resistore verwirklicht mit OTA:

Sie können in integriertem Form resistori des hohen Wertes verwirklicht werden sind in Richtung zur Masse

für, welches Schwimmen und folglich das gehabt wird

für welches, wenn gm1 = gm2 = gm gehabt werden .

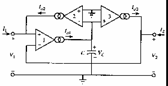
7) Sommatore OTA:

Um von den genügenden Strömen einen Nullpunkt hinzuzufügen, kreuzt die gegenwärtige Summe dann ein immer verwirklichtes resistore mit OTA und die gewogene Summe der Einkommen des Stromkreises wird erhalten der ist.

 

 

 

 

 

 

 

 

8) Integratoren OTA:

Ein Integrator mit Einkommen kann verwirklicht werden unterscheidet sie

für, welche dergleichen, die ein rein sind, Integrator mit dem Verlust, der in der Ähnlichkeit zum Kondensator ein resistore einsetzt, mit OTA verwirklichte.

 

 

9) Induktanz OTA:

Dieser Stromkreis führt ein Einkommensteifheit umgekehrt proporziona sie zur Steifheit geladener Daten, im Fall ein, den dieses ein Kondensator erhält folglich das Verhalten einer Induktanz ist.

Im Fall, den es ein sich hin- und herbewegender Veranlasser notwendig ist, wird anstatt der umreiß angenommen:

das für gm1 = gm2 = gm3 = gm Induktanz des Wertes simuliert ein.