Aufstellungsort Besichtigt 510507 zeiten Seite Besucht 31 zeiten Sie sind hier : Etantonio/DE/Universita/4anno/TeoriaCircuiti/     

Methoden für die direkte Realisierung

1) Gleichungen, die die Getriebeparameter beschreiben:

 

2) GIC:

(Generalisierter Widerstand-Konverter)

Entwurf eines Stromkreises, der übereinstimmt, mittels der verschiedenen aktiven Mitglieds-RC Arten der Mitglieder zu verwirklichen, wird Ihnen geführt, von dem einiges sie entsteht. Der Stromkreis ist das seguente:

Das Ziehen des Nutzens aus der Tatsache, daß der mögliche Unterschied sie zu den Clips des Einkommens vom funktionsfähigen es 0 ist und dem vomselben eine es nicht Strom aufsaugt, die Matrix des Getriebes wird erreicht .

 

3) GIN und seine Steifheit des Einkommens:

(Generalisiertes Widerstand-Netz)

Es wird den GIC mit einer Steifheit Z 5 (S)beendend, erhält eine Steifheit des Einkommens erreicht, die in Eintritt ausgedrückt ist ausdrückte . Mittels günstigen gewählt von den stiffnesses können sie simuliert werden sind Induktanzen, die neue Mitglieder Ihnen führen.

 

4) Realisierung von Induktanzen mittels des GINS:

Ein GIN wird benutzt, in dem alle stiffnesses von den Widerständen ausgenommen Z 4, das eine Fähigkeit ist, folgen einigem sind, daß die Einkommensteifheit von der induktiven Art ist , brachte das Verwenden der funktionsfähigen Verstärker der Art die Effekte ihrer nicht idealen Parameter zusammen, die sie vermindern jedoch die verwirklichte Induktanz zu Ihnen verwenden aktive Mitglieder kommen und folglich benötigt sie von einem LOGON in Richtung zur Masse, daß sie einige übereinstimmt ich sie nur in den überschreiten-hohen Filtern verwende, wo die Induktanzen Querschnitts- gesetzt werden. Die Empfindlichkeit zu den Elementen des GINS ist ±Umdrehungen 1 die Empfindlichkeit zum simulierten Veranlasser.

5) FDNR:

Zu es ist ein Element, das einen Eintritt vorstellt des Einkommens, dem D ein konstantes reales Positiv dieses Maß beim Farad-Übereinstimmen ist. Der Grund des Namens ist erreichtes Ersetzen s = JW , Y(j W)=- W 2Dwird tatsächlichfolglich einem negativen Eintritt und ein Angestellter von der Frequenz gehabt. Daran zu erinnern, daß der Eintritt des Einkommens des GINS ein FDNR ist, das Y 1 wählt, kann verwirklicht werden und Ydie 5 wie admittances der restlichen Kondensatore und admittances sind conductances, erreichen . Das FDNR kann nur Gebrauch sein Sie in der Realisierung der Filter, die überschreiten-niedrig sind und der Durchlaßbereich tatsächlich, der die Umwandlung von Bruton RLC " CRD bestehend in einem denormalizzazione der Steifheit mit anwendet, wird gehabt, das die Induktanz-Reihe zu kommen in den conductances und im Kondensatorshunt in FDNR umwandelte. , um ein Abstand in Richtung zur Masse mit dem ununterbrochenen außerdem übereinzustimmen, kommen die Kondensatore bypassati von den günstigen Widerständen. Die Realisierung des Durchlaßbereichs mit FDNR ist komplizierter in, wieviel liegt nicht das Schwimmen, auf der Hand zum Problem mit die Kaskade eines GIC, des GINS mit Steifheit Z(s) = s 2 Dunddes eines anderen GIC besser ist.

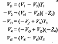
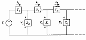
6) Bockspringen:

Die Leapfrog Technik nicht mach's gut, zum des Verhaltens der Durchläufe einiger Elemente zu Ihnen zu simulieren, aber sie simuliert mittels der Spannungen ist die Strom-Reihe, die der Spannungen Shunt von einem passiven Skalanetz

Zu, welchem wir equazioni und folglich das Diagramm verbinden können das zu den Blöcken


Erreichte der Beginn folglich von des einfach oder doppelt geladenen Netzes RLC durch die Tabellen, welche die verschiedenen Blöcke gekennzeichnet werden und es kommt zutreffend sie mittels der Integratoren ist einfach daß mit zusammenfassenden Verlusten, investers und.

Im Fall wünscht, zu kommen zutreffend ein Durchlaßbereich, sind die zu simulieren Blöcke von der Art RLC, oder LC kann folglich sein verwirklichen mit einem, welches zu Ihnen der Stromkreise, die Funktionen von 2° der Auftrag verwirklichen, angepaßt Schleppen-Thomas sind in, wieviel der Entweichendurchlaßbereich umkehren das nicht vorhanden sind. In jedem möglichem Fall werden sie von der Empfindlichkeit nahe bei denen des passiven Stromkreises der Abfahrt erreicht.

 

7) Filter zur commutata Fähigkeit:

In den integrierten Schaltungen besetzen die Widerstände des hohen Wertes Raum sehr, können sie in vielem wenig Raum und mit mehr Präzision mit einem Fähigkeit commutata entsprechend der folgenden umreiß verwirklicht werden

Für, welches mit J1 2 hoch undJ Unterseite gehabt wird

während mit J2 hoch und J1 Basso 2Q = 0 folglich ž ž .

Ein resistore kann das erreichte Negativ sein, das eine verschiedene Konfiguration von verwendet, wird gebildet vom Taktgeber

wird tatsächlich gehabt.

Die verwirklichten Widerstände können folglich verwendet werden, um das Umkehren der Integratoren zu verwirklichen, filtert das Umkehren und nicht mit Verlusten geschweige denn Schleppen-Thomas und Bockspringen, eine Frequenz des Doppelten des Taktgebers mindestens muß in jedem möglichem Fall betreffend die maximale Frequenz verwendet werden, die in den Markierungen sie des Einkommens, im ottemperanza zum Kriterium von Nyquist vorhanden ist, in praktischem es ist mindestens 100mal grösser. Ich verwende von den 4, die MOSFET außerdem übereinstimmt, den Effekt der parasitschen Fähigkeiten zu den gleichen zu vermindern, wenn Kondensatore des Auftrages des Leistungsfaktors mit dem Ziel werden benutzt werden gewünscht, um Raum in der integrierten Schaltung zu speichern.